Paso 4: Conectar la hélice a la






Se necesita:
* Un iRobot Create (batería APS y el muelle son opcionales)
* Un paralaje hélice Proto Board (paralaje parte #32212)
* Un PropClip o PropPlug para programar el tablero de la hélice.
* Un regulador de 9v (LM7809)
* Un conector DB25 para conectar al puerto DB25 de la creación
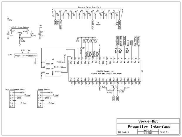
Primero, tome un Cable de red CAT5 (ya que tiene 8 cables en él) y siete de ellos conectan a los pines designados en el conector DB25.
Luego, soldar el otro extremo de los cables a la placa Proto como sigue:
DB25-1-> P2
DB25-14-> 10 K resistencia -> P3
DB25-2-> P4
DB25-8-> 10 K resistencia -> P5
DB25-9-> LM7809 entrada (Pin 1)
DB25-13-> 10 K resistencia -> P6
DB25-25-> Vss (Gnd)
Las resistencias de 10K se utilizan para cualquier cosa que envía 5v en el puerto de la hélice ya que el propulsor es un 3.3v dispositivo, la resistencia limita la corriente para evitar que la hélice se caliente.
Siguiente...
Soldadura el LM7809 GND (Pin 2) a VSS.
La soldadura de la salida del LM7809 (Pin 3) a la punta del conector de alimentación de 9 voltios.
Sugiero poner un disipador de calor en el regulador de voltios LM7809 9 porque le cae algo caliente ya que tiene que disipar los extras 9 voltios (de la batería de 18v crear) como calor.
Es para conectar la hélice Proto Board el iRobot Create. Todas las conexiones son entre el Proto Board y los sensores decide usar.