Paso 11: IR Beacon






El crear hace un buen trabajo con los cálculos de distancia basados en la rueda codificadores. Pero todavía hay un pequeño deslizamiento a hacerlo haz sesgado con el tiempo. Algo era necesario reorientar el crear cada tan a menudo para que estas balizas (después de las pruebas con RFID) fueron los más fáciles de implementar. Con un faro a cruzar en algún lugar sobre el eje X y el somwhere replicador en el eje Y, la creación ha sido capaz de recorrer el mismo camino sin fin sin intervención.
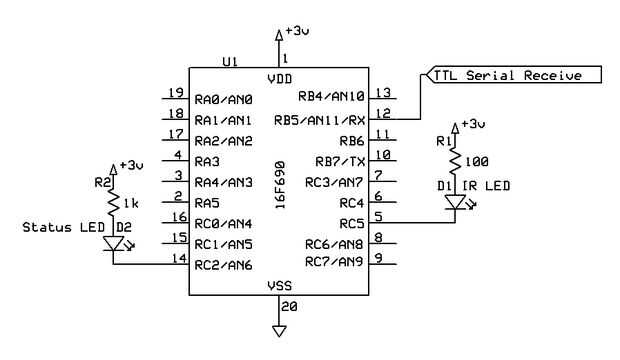
Pongo 1" pedazo de tubo de goteo en el LED para reducir la viga para aumentar la precisión de la distancia de crea.
Hasta ahora, este faro ha estado funcionando de 2 pilas AA durante varias semanas seguidas. Estoy seguro de que podría ser ajustado mucho más para el tiempo de ejecución óptimo.
Esto podría ser un faro de plomo perfecto para el Robo-botones. Más fácil de construir y más pequeño para ocultar en un cinturón o correa. Funciona muy bien con asignación adaptativa como una forma de vez en cuando a calibrar su posición.