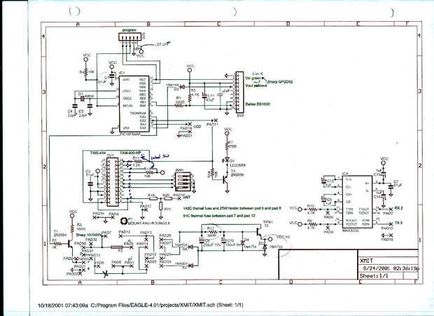
Paso 2: Construcción de transmisor





La carcasa del transmisor está diseñada para tanto como posible separar térmicamente el sensor de gama de agudo GP2DO2 y electrónica de la temperatura exterior oscila. La tapa de la carcasa exterior está sellada con RTV para evitar la incursión de agua.