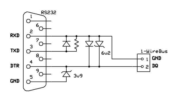
Paso 2: Crear la interfaz RS232







Paso 1)
Averiguar cómo pequeñas se puede hacer.
Poner todos los componentes en un perfbaord. Colocarlos con el circuito en la mente. No queremos agregar los cables a la parte inferior del circuito. Imagen de se.
Paso 2)
Corte el tamaño perfboard.
Sólo tienes que arrastrar un cuchillo varias veces en la fila de agujeros donde desea cortar.
Hacerlo en ambos lados, luego a romperlo en dos. Generalmente se rompe en la línea de falla que creó.
3)
Soldar los componentes en su lugar. y conecte los puntos de soldadura para completar el circuito.