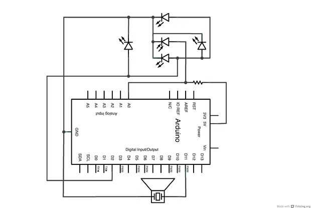
Paso 4: Se conectan a.








El zumbador es opcional, pero si la usas conectan el pin digital 11 y la tierra.
La luz infrarroja no es visible a ojo desnudo, pero se puede ver a través de una cámara digital, ayuda a ver si el LED está funcionando o no.
Echa un vistazo a las fotos.