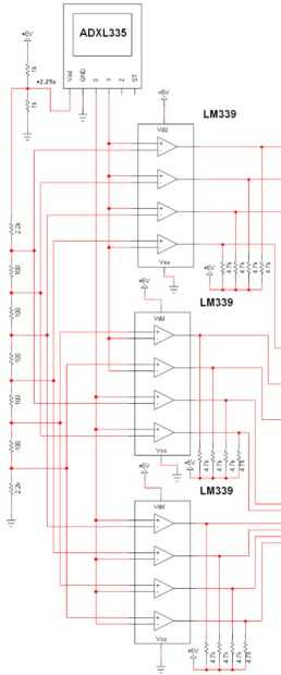
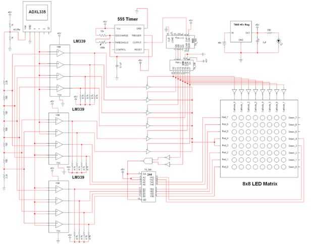
Sensor de inclinación TTL

Tilt sensor utilizando solamente piezas de ttl y acelerómetro

Etiquetas: Proyecto, Esquema, Ttl

Artículos Relacionados

Protector antirrobo con sensor de inclinación

Protector antirrobo con sensor de inclinación

Estos días el robo se ha convertido en un delito grave. Las personas son ahora mucho más consciente hacia allí objetos preciosos son carteras y joyería pero debido a la ajetreada rutina de esta vida no somos capaces de cuidar de nuestras cosas. Que e
Sensor de inclinación 3D DIY

Sensor de inclinación 3D DIY

Cómo crear un controlador de HID Bluetooth sensor de inclinación 3D DIYDivertido, educativo y construir, un poco como magia. Revise este video del sensor de inclinación 3D DIY a Philips Hue. El proyecto está diseñado para realizarse en un FabLab (Zür
Sensor de inclinación de cinco-ciento

Sensor de inclinación de cinco-ciento

es un sensor de inclinación básica inspirado por estilo de jaula y bola de sensores, pero 2d en lugar de 3d. Un níquel capturado conecta pares de cables dependiendo de la orientación del sensor. Son rápidos de construir y bastante baratos; Se me ocur
Sonido y Sensor de inclinación manga

Sonido y Sensor de inclinación manga

que, al final de este instructivo, usted podrá utilizar componentes Aniomagic para el control de LEDs utilizando un sensor de sonido y otros LEDs a través de la misma fuente de energía por un sensor de inclinación.Lo que necesitarás:Hilo conductor (m
El cubo de la curiosidad (con sensor de inclinación manual)

El cubo de la curiosidad (con sensor de inclinación manual)

Hola a todos. Este proyecto trata de un loco que no??? dispositivo. El uso de sus partes tiene un sinfín de posibilidades. Puede guardar nuestras pequeñas cosas favoritas como auriculares, o guardado en el escritorio como decoración cuando las luces
Sensor de inclinación del acelerómetro estacionaria

Sensor de inclinación del acelerómetro estacionaria

En este instructable voy a entrar en cómo construir un sensor de inclinación (es decir mide la echada y del rodillo ángulos) con un solo acelerómetro. También he incluido un "filtro de gravedad" que intenta eliminar el efecto de la gravedad de l
Sensor de inclinación: no tóxico barato, fácil,

Sensor de inclinación: no tóxico barato, fácil,

hacer un sensor de inclinación simple para su proyecto de electrónica. Este sensor permitirá su robot o lo que sea para saber cuándo ha sido invertido (o inclinada a un ángulo tal que el sensor de inclinación invertida (es decir, lado de la aguja hac
Auto equilibrio giroscopio V3 utilizando Arduino y pote para el Sensor de inclinación

Auto equilibrio giroscopio V3 utilizando Arduino y pote para el Sensor de inclinación

aquí es la continua saga de mi giroscopio - en esta versión utilizar un Arduino Uno y un potenciómetro para hacer pivotar un contrapeso para balancear un giroscopio precessing y equilibrará indefinidamente en dos palillos.Ahora que es sí mismo equili
Tutorial Sensor de la inclinación

Tutorial Sensor de la inclinación

¿Qué es un sensor de inclinación?Sensores de inclinación le permiten detectar orientación o inclinación. Son pequeños, barato, bajo consumo y fácil de usar. Si se utiliza correctamente, no desgastará. Su simplicidad les hace popular para los juguetes
Inclinación interruptores hechos de botellas de arte granos

Inclinación interruptores hechos de botellas de arte granos

si usted está buscando un interruptor de inclinación de mercurio que puede hacerse en el barato y rápido como fue, luego seguir a lo largo y le mostrará cómo hacer algunos de poco botellas pequeñas de granos de la fabricación.Paso 1: Cosas que necesi
Disparador de inclinación sensible

Disparador de inclinación sensible

diseñado para cualquier propósito que necesite un interruptor muy sensible, cualquier dirección, hacer-no-inclinación. Esta instrucción describe la construcción de: 1) mi prototipo inicial, construido a mano, lanzado juntos en una sola tarde de pieza
Registrador de datos geo: Arduino + GPS + SD + acelerómetro para registrar, sello de tiempo y datos del sensor geo-tag

Registrador de datos geo: Arduino + GPS + SD + acelerómetro para registrar, sello de tiempo y datos del sensor geo-tag

versiones17 de octubre de 2013: he publicado una guía sobre el uso de tu teléfono Android para llevar a cabo una tarea similar al aprovechar tu Android dispositivo de construido en GPS y sensores.06 de febrero de 2013: Aparece en GeoAwesomeness http:
Múltiples sensores proyecto

Múltiples sensores proyecto

Hola a todos!En este tutorial voy a explicar cómo crear un proyecto que incluye muchos sensores y funciones.El material que necesitamos es:– Arduino Uno-Protoboard-12 LED-3 resistencias - 220 ohmios– resistencias de 2/3 - 1KOhm-fotorresistencia 1– 1
Juego de memoria de bricolaje Tilt Sensor

Juego de memoria de bricolaje Tilt Sensor

Cómo construir un juego de memoria en FPGA DIY.Equipo proyecto: Memoria Blitz. Por: Poco a poco produccionesKim LaberintoCarver DanaMegan VanHumbeckEste proyecto es para nuestro curso de sistemas de lógica Digital ECE2220 en la Universidad de Manitob