Señal de tráfico / luz de freno cables con controlador Arduino (2 / 7 paso)

Paso 2: El plan

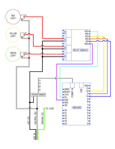
Es a continuación un diagrama de cableado para la señal de tráfico.  Esperemos que esto es bastante claro lo que es cableado a lo que.

Artículos Relacionados

Luz de freno inteligente Arduino

Luz de freno inteligente Arduino

Teniendo en cuenta seguridad en la calle debe tener una luz de freno en tu bicicleta. La población de vehículos es cada vez más alto y más alto cada año. Puede asta los vehículos delante de usted, pero un freno repentino puede hacer por los vehículos
Luz de freno Bar End: BEBL

Luz de freno Bar End: BEBL

ResumenGrupo equitación sería mucho más seguro si bicis tenían luces de freno.  La falta de luz de freno de bicicletas ha llevado a las señales de audio de "Ralentización" o "Parada" se gritó en cada esquina.  Mientras que esto puede m
Inteligente de prueba de concepto de luz de freno

Inteligente de prueba de concepto de luz de freno

descargo de responsabilidad: frente a pantallas de LED trasero no son legales en los Estados Unidos y por lo tanto este proyecto pretende ser una prueba de concepto sólo.ADVERTENCIA: El Video contiene lenguaje explícitoTuve el honor de una invitación
Subaru BRZ 3 LED luz de freno DIY guía o Scion FR-S

Subaru BRZ 3 LED luz de freno DIY guía o Scion FR-S

* por favor tenga en cuenta que esta guía DIY requerirá modificación a los componentes originales y aftermarket. Proceda bajo su propio riesgo, iJDMTOY no es responsable de cualquier daño o perjuicio que puede ocurrir debido a la instalación *Esta gu
Solar cargo funcionamiento LED con luz de freno intermitente para bicicletas

Solar cargo funcionamiento LED con luz de freno intermitente para bicicletas

por lo que después de investigar las leyes para hacer mi bicicleta motorizada legal en California y el envío de la placa de la licencia, he decidido trabajar en la luz del freno mientras espero la placa.Después de un par de días de mirar diseños de o
DIY luz de freno para tu bicicleta

DIY luz de freno para tu bicicleta

Hola todo el mundo!En este rápido ible: voy a mostrarte cómo hackear una luz LED barata hacer una útil luz de freno para tu bicicleta.Es un proyecto muy simple y fácil pero tomé algunas fotos para hacer de este instructable más comprensible. Siga los
Luz de freno casco inalámbrico moto/bicicleta... muy fácil

Luz de freno casco inalámbrico moto/bicicleta... muy fácil

Hola a todos,la idea principal de este proyecto es cuando llegué a la palanca de freno de motocicleta las luces led en el casco o chaqueta ligera haciendo el jinete más visible y por lo tanto más seguro en las calles. No quería que los cables todos c
Sportster trasero luz de freno interruptor de recambio

Sportster trasero luz de freno interruptor de recambio

mi Sportster 2008 trasero luz de freno interruptor dejar de trabajar.  Revisé mi manual de servicio que dio un montón de información para modelos tempranos con el interruptor de luz de freno de un émbolo desde el enlace de freno trasero.  Los modelos
Luz de la bici con parpadeo de luces, intermitentes y freno (VIDEO)

Luz de la bici con parpadeo de luces, intermitentes y freno (VIDEO)

esta es la nueva luz de bicicleta que he hecho para mi noche paseos. Tiene que parpadear el LED en rojo, para la señal normal y en compra para convertir la señal y una luz de frenoPaso 1: proyecto Primero que he hecho un proyecto en MS Paint.Después
Star Wars sable de luz luz de freno en limpiaparabrisas

Star Wars sable de luz luz de freno en limpiaparabrisas

Quieres una manera impresionante para decir, "de nuevo, hombre! Soy un Lord Sith! "Este instructable le mostrará cómo llevas tu geek de Star Wars con su automóvil.Contiene los pasos para activar su limpiaparabrisas trasero en un sable de luz se
Luz intermitente y luz de freno de la bicicleta

Luz intermitente y luz de freno de la bicicleta

Hola todo el mundo! Este es mi primer Instructable! Por favor informar para mí en los comentarios. Espero que lo disfruten!La idea detrás de esto era modificar una bicicleta barata luz completamente funcional luz intermitente y luz de freno similar a
Cómo hacer una sencilla luz de freno

Cómo hacer una sencilla luz de freno

este es mi primer proyecto que yo estoy publicando en instructables.Este proyecto es muy simple y creo que muchos habrían hecho esto. Este es mi proyecto de muestra así que empecé con una simple. Espere a que mis nuevos proyectos nuevos como rc, con
Luz de freno pasiva

Luz de freno pasiva

este instructable muestra cómo conectar un acelerómetro a un arduino muestra movimiento y accionar una luz. en este caso estoy conectando una luz de freno LED a través de un relé. mi objetivo era crear un dispositivo que puedo adjuntar en la parte po
Ford Explorer 3 º luz de freno fijo

Ford Explorer 3 º luz de freno fijo

ADVERTENCIA! Existe un riesgo de choque eléctrico asociado con este instructable. El fabricante recomienda que sólo personal de servicio autorizado hace esta reparación.Salió la luz de freno de montaje alto en mi explorador de Ford 1996. Hubo varios