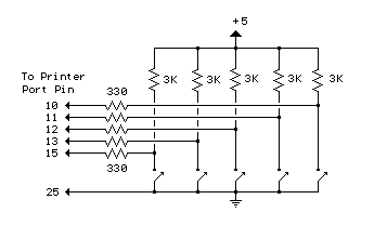
Paso 6: Entradas Extra.



- D3: estado del pin 15 (ERROR) invertida no
- D4: estado del pin 13 (seleccionado)
- D5: estado del pin 12 (PAPER OUT)
- D6: estado del pin 10 (ACK)
- D7: estado del pin 11 (ocupada) invertida no
------------------------------------------------------------------------------------------------------
pseudo código:
rem pport 1 rem 2^7 <= pin 11 rem 2^6 <= pin 10 rem 2^5 <= pin 12 rem 2^4 <= pin 13 rem 2^2 <= pin 15 N = INP(&H379)
Seleccione caso N
caso N y 2 ^ 6
Imprimir "línea 10 está cerrada"
caso N y no 2 ^ 7
Imprimir "línea 11 está cerrada"
caso N y 2 ^ 5
Imprimir "línea 12 está cerrada"
caso N y 2 ^ 4
Imprimir "la línea 13 se cierra"
caso N y no 2 ^ 2
Imprimir "línea 15 está cerrada"
final seleccione
------------------------------------------------------------------
CLS
DEFINT A-Z
Dirección = 889: REM 889 = dirección del puerto, otras direcciones podrían ser 633 o 957
Imprimir "Presione la tecla enter para leer a impresora pins del puerto (15,13,12,10,11)"
Imprimir "una lectura (0) indica el pin está a nivel del suelo, (1) indica"
IMPRESIÓN "el pin está en un nivel alto o sin terminar.
ENTRADA A$
V = INP(Address)
V IMPRESIÓN
P11 = 1
IF V > 127 entonces P11 = 0: V = V - 128
IF V > 63 entonces P10 = 1: V = V - 64
IF V > 31 entonces P12 = 1: V = V - 32
IF V > 15 entonces P13 = 1: V = V - 16
IF V > 7 entonces P15 = 1
IMPRIMIR
PRINT "Pin 15 ="; P15
PRINT "Pin 13 ="; P13
PRINT "Pin 12 ="; P12
PRINT "Pin 10 ="; P10
PRINT "Pin 11 ="; P11
FINAL