Paso 1: Reunir a las partes




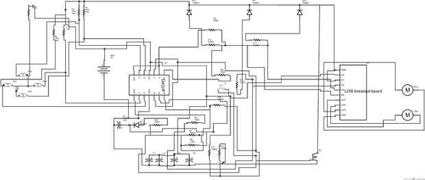
1 protoboard
1 controlador de motor L298N puente H
s de 4 macho a hembra cable(este es un pack de 40)
24 AWG cable (para conectar el panel solar al protoboard)
1 amplificador operacional cuádruple lm324 IC
panel solar de su elección con orificios de montaje (utiliza un panel solar de 20V, pero como el panel solar está entre 5V y 32V, usted debe ser fino). Si el panel solar está sobre 32V, se exceda la tensión máxima para el lm324. Si el panel solar está por debajo de 12V, puede que necesite una batería de 12V para alimentar el puente en H.
1 condensador de 220uF (Asegúrese que el voltaje es mayor que o igual a la tensión del panel solar. Solo necesitas 1 de estos, a pesar de que el enlace muestra un paquete de 25).
4 condensadores de 2200uF. (Asegúrese de que la tensión nominal es mayor o igual a la tensión del panel solar. Se necesita un condensador con una mayor tensión valorar que éste si el panel solar es superior a 25V. Usted sólo necesita 4, pero el enlace muestra un paquete de 20. Si desea mayor capacidad de corriente de sobrecarga, puede utilizar los 20).
1 motorizado base giratoria (yo usé un "actuador de Hoberman" (que creo que ya no se vende). aquí está un artículo similar necesita algo que usted puede conectar su seguidor solar que gira lentamente)
4 fotorresistores (viene en paquete de 20. Usted sólo necesita 4 fotorresistores)
1 transistores IRF3205 N-MOSFET (viene en un pack de 5. Sólo necesitas 1 MOSFET, pero estos cachorros son frágiles. Les recomiendo que compren un paquete de al menos 2 en el caso de rompe uno).
4 diodos de conmutación de señal (este es un paquete de 30. Usted sólo necesita 4)
Resistencias (usted puede comprar un kit de resistencia si planea construir otros circuitos. Sólo asegúrese de que su kit de resistencia contiene todo las resistencias requeridas para este proyecto)
-1 100
1-4 K
-3.3 3 K
10-3 K
47-1 K
100-3 K
-1 1, 5 M
1 motorreductor (usé un motor de K'nex. Debe tener un eje que puede ser atada una cadena)
Pedazos de madera:
1 1/2" tabla de madera gruesa, misma longitud aprox., ancho del panel solar (en adelante, esta obra se llamará"wood1")
Junta 1 1 "x 2" xA", donde A es de 2" a 3" más que el ancho del panel solar (en adelante, esta obra se llamará"wood2")
Junta 1 1 "x 2" xB", donde B es aproximadamente 1" de más que el ancho del panel solar (en adelante, esta obra se llamará "wood3")
2 1 "x 2" xC "Junta, donde C es aprox. longitud de panel solar (en adelante, esta obra se llamará"wood4")
2 1.5"x1.5"x1/2 "bloques de madera (de ahora en adelante, esta obra se llamará"wood5")
2 3" largo, 3/8" diámetro clavijas de madera (de ahora en adelante, esta obra se llamará "wood6")
1 1 "x 3" x 1/16"tira de madera (de ahora en adelante, esta obra se llamará"wood7")
1 1/2 "x 1/2"x 2"bloque de madera (de ahora en adelante, esta obra se llamará"wood8")
1 pedazo de madera tamaño protoboard (en adelante, esta obra se llamará "wood9")
Sujetadores:
6 1.5" de largo tornillos para madera
6 3/4" tornillos largos
3 tornillos
3 tuercas que encajan los tornillos
pegamento para madera
piezas opcionales:
1 interruptor de botón táctil (este es un pack de 10. Sólo necesita 1). Mediante este interruptor opcional, usted puede convertirse en el puente de H en cualquier momento sin tener que esperar hasta que el oscilador de señal encender.
1 resistencia de 330K (debe utilizar esto si cambia usted el botón táctil)
Necesario de herramientas:
taladro
destornillador (phillips y cabeza plana)
llave ajustable
llave Allen