Paso 3: Tecnología dentro
















6 x PiezoButtons de mi instructables otros:
1 x 20 pulgadas
1 x Altavoces USB
1 x RaspberryPi B + 700Mhz con 16Gb Sd y memoria Usb de 16Gb
fuente de alimentación 1 x 5V 4A
Desarmar barato USB powered altavoces, así que usted conseguirá un amplificador y 2 altavoces y todos los cables que usted necesita.
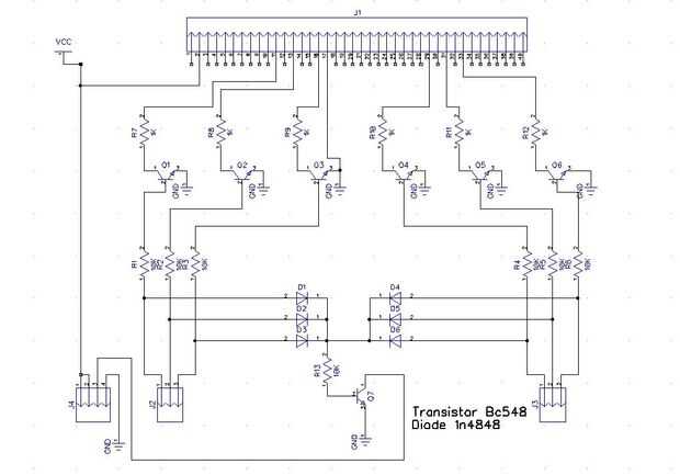
Construyo un circuito adaptador para conectar los botones de 5V a 3, 3V Gpio de la frambuesa. Los botones están conectados cada uno a un transistor. El transistor tira la gpio hasta tierra.
Todas las entradas se conectan sobre diodos un timbre para cada vez que presione un botón tiene un comentario.
Para el poder, usé una vieja fuente de alimentación de 4A 5V. Corte un cable OTG en 2 partes y había conectado a la fuente de alimentación. El micro USB es para la frambuesa y el puerto USB es para los altavoces.
Todos los cables son caliente pegado en la caja
Los altavoces se montan en el interior, por lo que no puede ser destruidos. Perforé 2 agujeros en el tablero de madera para que el sonido va a ir desventaja.












