Paso 8: Construcción de un escudo de PCB usando circuitos 123D!











Una vez que había comprobado que estaba obteniendo las lecturas correctas de la protoboard, llegó el momento de diseñar un escudo para el Pinoccio. Quería una pieza de hardware de sobreponer que cualquiera con un soldador podía montar. Tuve la oportunidad de trabajar con Rob Roberts del equipo circuitos 123D y obtener unos valiosos conocimientos del mundo del diseño de PCB. Juntos llegamos a un diseño muy sencillo con terminales de tornillo para conectar el piezo.
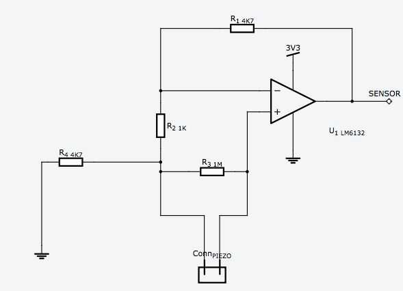
En realidad elegí el componente del op-amp mal al principio. El LM 741 es spec'ed no correr debajo de 5V, así que elegí el LM6132 op-amp en lugar de otro. Lamentablemente tenía un pinout que era diferente que en el diseño, así que tuve que llegar a una solución creativa. Empalmes de la soldadura esta involucrados un montón de cables extras y la diversión.
Desde que había ordenado las juntas y había ellos en mano, he decidido realizar 4 soluciones creativas. La próxima revisión será en circuitos 123D pronto y tener varias modificaciones para hacer aún más fácil montaje.