Paso 2: diseño















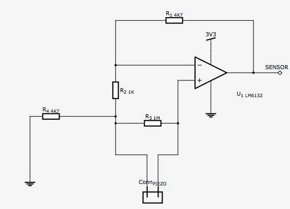
El primer paso involucrado breadboarding el circuito partiendo Instructable de Stacey K, con algunas modificaciones menores. He probado conectarlo a un arduino y leyendo la salida serial. El circuito consta de un amplificador para aumentar la señal del piezoeléctrico, y una resistencia ligada a suelo para regular el voltaje. Hay una resistencia de alto valor entre las dos entradas del piezoeléctrico, que actúa como un resistor de pull-down para la señal.













