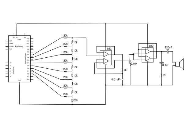
Paso 4: Filtro de paso bajo





Usted puede calcular los valores del condensador y resistor que necesita baja pasan filtro según la siguiente ecuación:
frecuencia de corte = 1 / (2 * pi * R * C)
Theroum de Nyquist establece que para una señal con una frecuencia de muestreo de x Hz, la frecuencia más alta que se puede producir es x / 2 Hz. Se debe establecer la frecuencia de corte a x / 2Hz (o tal vez un poco más bajo dependiendo de lo que te gusta). Así que si tienes una velocidad de muestreo de 40kHz (estándar para el audio de la mayoría), entonces la máxima frecuencia que puede reproducir es de 20kHz (el límite superior del espectro audible), y la frecuencia de corte del filtro paso bajo debe ser alrededor de 20 kHz.
Para una frecuencia de 20.000 Hz y 1kOhm resistencia de corte:
20000=1/(2*3.14*1000*C)
C = ~ 8nF
puesto que los condensadores 8nF son difíciles que doblé hasta 0.01uF. Esto da una frecuencia de corte de cerca de 16kHz. Puede ensuciar con diferentes valores y ver lo que gusta, suele gustar más pesado filtrado porque elimina más ruido no deseado.