Paso 4: navegación




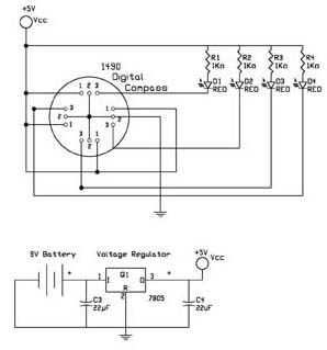
En la foto, los cuatro cables en la carcasa plata irá a la superficie y la interfaz con la computadora para mostrar la dirección que estoy enfrentando. Estoy escribiendo un programa que girará una imagen del robot para mostrar la dirección. Sin embargo, esto podría tomar un tiempo así que por ahora sólo puedo usar los LEDs
Para una inclinación compensada brújula, echa un vistazo a este uno en Sparkfun. Es definitivamente superior de la línea, pero también lleva una etiqueta de precio enorme
EDITO: he quitado debido a su incapacidad para mantener un rumbo constante. Esto es probablemente debido a la inclinación que no podía manejar la brújula, junto con la interferencia de magnieting.