Rotación LED carpa sombrero (6 / 7 paso)

Paso 6: El circuito real

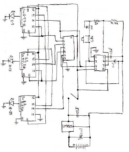
Aquí está el esquema del circuito. Suelde todos los componentes en perfboard. Lo siento la clase de dibujos de mala. Básicamente, el temporizador 555 envía un pulso a los contadores de década que disparar sus LEDs en secuencia. Las cadenas de chip de lógica los contadores de década tres en orden.

Artículos Relacionados

Con retroiluminación LED carpa estilo muestra

Con retroiluminación LED carpa estilo muestra

Este es un instructivo de cómo hice un LED retroiluminada estilo marquee de la letra 'I' para la fiesta de cumpleaños de mis hijos (y para colgar en su habitación más tarde). Originalmente quería hacer una carta de marco más tradicional usando luces
Rotación LED throwies impulsado por un Stirlingengine (eVoltis Stirlingmachine)

Rotación LED throwies impulsado por un Stirlingengine (eVoltis Stirlingmachine)

esto es una máquina de aire caliente (stirlingengine), construida algunas viejas piezas de ordenador (disipador de calor y la cabeza de un viejo disco duro). Este Stirlingengine (y todos los demás también) funciona con una diferencia de temperatura e
Transmisión dinámica - touch de interacción - color LED ball

Transmisión dinámica - touch de interacción - color LED ball

Video:1, confesiones de amor de ciencia y tecnología ayuda---[rotación LED ball 2.0]2, la transmisión dinámica: espectro y Letras de canciones - Demo---[rotación LED ball 2.0]3, conectividad Bluetooth y función introducción---[rotación LED ball 2.0]=
Encendido de policía sombrero

Encendido de policía sombrero

Pensé que sería divertido añadir LEDs al sombrero de la guardia de mi hermano por lo que parecía para parecerse a la barra de luces en un crucero de la policía.Paso 1: materiales Hay un montón de materiales electrónicos portátiles disponibles. Ordené
DIY handheld LED lamp

DIY handheld LED lamp

Una lámpara tiene gran importancia en la vida. Son la fuente de luz y hacer visible para usted. Cuando una lámpara emite luz, que viaja en dirección a todos y después de golpear de una superficie lo que a nuestros ojos y el objeto es visible para ust
Ideas de LED para Melissa & Doug trajes

Ideas de LED para Melissa & Doug trajes

Aquí están algunas ideas rápidas para acompañarlo hasta los trajes Melissa y Doug agradables (bombero, policía, etc.). Muchos de estos trajes tienen bolsillos de la camisa de plástico transparente con una etiqueta de nombre que se muestra a través de
DIY LED bombillas de recambio para 12 voltios paisaje cuña Base bombillas

DIY LED bombillas de recambio para 12 voltios paisaje cuña Base bombillas

hace un tiempo decidí reducir al mínimo nuestro uso de energía utilizando luces LED, siempre que sea posible. ¿Por qué no empezar en el jardín? Estaba utilizando una fuente de 500 Watt y ahora uso una fuente de 44 vatios!  Miré en línea para bombilla
Electrónica LEGO Super Mario Bros setas

Electrónica LEGO Super Mario Bros setas

Presentado para la aprobación de la sociedad de Instructables, traer a usted otro proyecto electrónico de LEGO con un tema retro video juego!Utilizando los mismos principios exactos para diseño e ingeniería como mi Electrónica Super Mario Starmen, yo
Soldador recargable USB: Solderdoodle Pro

Soldador recargable USB: Solderdoodle Pro

Por favor haga clic abajo para visitar nuestra página de proyecto de Kickstarter para Solderdoodle Pro 2.0 y pre-ordenar un modelo de producción!http://www.Kickstarter.com/projects/249225636/sold...Solderdoodle Pro es un portátil, inalámbrico, USB re
: Emergencia USB pared Solar Solar enchufe

: Emergencia USB pared Solar Solar enchufe

Por favor haga clic abajo para visitar nuestra página de proyecto de Kickstarter para pre-ordenar un modelo de producción.http://www.Kickstarter.com/projects/249225636/sola...La primera siempre solar powered USB casero toma para uso de emergencia y t
Abrir fuente Solarpad Kit Solar USB cargador

Abrir fuente Solarpad Kit Solar USB cargador

Por favor haga clic abajo para visitar nuestra página de proyecto de Kickstarter para Solarpad!http://www.Kickstarter.com/projects/249225636/sola..."Por último, un correcto Cargador Solar para excursionistas y ciclistas" - culto de Mac¿ Can un c
Ikeakade - gabinete de la arcada oculta

Ikeakade - gabinete de la arcada oculta

Bienvenido a Ikeakade! 99.5% listo!Como un niño de los años 80, siempre he tenido un lugar en mi corazón para estos juegos de arcade que pasé incontables horas y cuartos en. Algunos de mis mejores recuerdos incluyen papá generoso tomando yo y mi herm
Soporte pedal alerta con Scroller estadísticas, utilizando Arduino Yun

Soporte pedal alerta con Scroller estadísticas, utilizando Arduino Yun

El Arduino Yún es un curioso complemento a la familia de Arduino . Hay una comunidad bastante extensa que rodea el concepto, plataforma y software de Arduino. Hay otra popular comunidad dedicada al hacking y mejora económicas routers inalámbricos, qu
Abrir la fuente de luz trasera de bicicleta de Automatic bricolaje 2.0

Abrir la fuente de luz trasera de bicicleta de Automatic bricolaje 2.0

Una luz de cola mejorado que se enciende automáticamente cuando oscurece. Las mejoras incluyen un PCB personalizado para facilitar el montaje con componentes mejor, mejor diseño de componentes y más brillante LED.Por favor haga clic abajo para apoyar