Robot de 6WD con chasis de aluminio (1 / 7 paso)

Paso 1: Chasis de aluminio

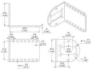
Para el edificio de la parte mecánica, se necesita:

-3 piezas de canal de aluminio de 15""Actobotics"

- https://www.servocity.com/html/15__aluminum_chann...

-montaje de aluminio 6 para el motor

-http://tienda.bricogeek.com/motores/253-soportes-d...

-6 motores de 12 V con eje de 6 mm de diámetro para equipos

- https://www.servocity.com/html/51_rpm_gear_motor...

-6 ruedas de 127 x 62 mm

- https://www.servocity.com/html/masher_2_tires.htm...

-rim 6 2,2"

- https://www.servocity.com/html/6_spoke_chrome_whe...

-6 adaptadores de rueda de eje hexagonal

- https://www.servocity.com/html/hex_shaft_wheel_ad...

-36 tornillos M3x8

-1 pedazo de hoja de aluminio de 343x190mm

-Separador metálico hexagonal 8 de M3x40mm

- http://www.superrobotica.com/separadores.htm

Artículos Relacionados

Johnny5 Arduino Robot DfRobotshop rover con interfaz de control remoto html

Johnny5 Arduino Robot DfRobotshop rover con interfaz de control remoto html

En este post explico paso a paso cómo construir un Arduino basado en Robot y programar con Javascript. Explico que opciones de diseño que hice, que Marcos y tecnologías utilizan y como programar y configurar el robot.Puede encontrar más información s
Robot de LEGO con la cámara GoPro

Robot de LEGO con la cámara GoPro

El drone que vamos a construir no solo será otro quadcopter descerebrado. Éste será capaz de regreso completamente autónoma a aterrizaje de hogar, autónomo, GPS asistido de vuelo, volar a alturas increíbles, velocidades, lo suficientemente fuertes pa
Navaja con mango de aluminio

Navaja con mango de aluminio

Por favor recuerda votar este instructable como el que puse en un montón de tiempo y esfuerzo para hacerlo y mostrar a todo el mundo. GraciasEste instructable le mostrará cómo hacer, desde cero, un cuchillo plegable con asas de aluminio fundido. La r
Dimmer con caja de aluminio bricolaje NE555 y MOSFET PWM.

Dimmer con caja de aluminio bricolaje NE555 y MOSFET PWM.

un PWM bajo costo dimmer utilizando NE555 y MOSFET con estuche de aluminio bricolaje.Paso 1: caja de aluminio de tubo cuadrado de aluminio. caja de aluminio tiene doble función.primero uno es tapa de protección.y en segundo lugar es de disipador para
Cómo hacer una mano de maniquí personalizada con papel de aluminio y alambre para menos entonces 10 dólares

Cómo hacer una mano de maniquí personalizada con papel de aluminio y alambre para menos entonces 10 dólares

Cuando pierna-armadura, armadura de guantelete ect, hecho a mano y a sus medidas puede ser un poco difícil, aquí voy a explicar cómo hacer un brazo de maniquí personalizado para apoyos con fácil encontrar los materiales, la misma técnica puede aplica
Hacer un difusor de reflejo de luz nocturna con papel de aluminio

Hacer un difusor de reflejo de luz nocturna con papel de aluminio

(x+3)(x-2)x2-2 x + 3 x-6x2+ x-6No, no voy a aburrir con la clase de matemáticas. Vamos a jugar con papel de aluminio!Aquí, voy a mostrarles como hacer un difusor de luz que va a utilizar la ciencia de la reflexión. Este proyecto es grande porque ense
Bump detector de robots con papel de aluminio

Bump detector de robots con papel de aluminio

Mientras se hace el robot autónomo utilizando sensores ultrasónicos, enfrentamos este problema de cambiar la trayectoria del robot cuando topa a una pared o un objeto.La solución es bastante simple, pero espero que ayude a alguien :)Paso 1: Component
Otro cartón robot-aspirador controlado con Arduino

Otro cartón robot-aspirador controlado con Arduino

Se trata de simple robot-aspirador controlado por Arduino.Esto puede ser aún más sencillo si en vez de turbina y de la basura - utilice un pañuelo de papel de cocina o un trozo de tela sintética.Paso 1: Componentes necesariosArduinoProtector de motor
IoT - controlar un Raspberry Pi Robot por internet con HTML y shell scripts sólo

IoT - controlar un Raspberry Pi Robot por internet con HTML y shell scripts sólo

(Si te gusta este Instructables, no olvide votar en ella (por encima de: bandera de la esquina a la derecha). está compitiendo en concursos de automatización y de INTERNET de las cosas. ¡Muchas gracias! ;-)En este instructables, aprenderemos cómo cre
Arduino Uno y Visuino: controlar Robot coche Smart con Joystick y L298N controlador de Motor

Arduino Uno y Visuino: controlar Robot coche Smart con Joystick y L298N controlador de Motor

Que coche elegante se establece cuando se combinan con Los módulos de controladores Motor L298N, ofrecen una de las maneras más fáciles de fabricar coches robot. El Módulo del controlador Motor L298N es fácil de controlar con Arduino, y con la ayuda
Grasa O el Robot cuadrúpedo con acrílico marco

Grasa O el Robot cuadrúpedo con acrílico marco

Se trata de un mini O grasa el robot cuadrúpedo, marco de acrílico cortado con láser de corte de 2mm.Grasa O mini robot patas cuadrúpedos 2dof, consiste en 8 micro servo de metal, 2 servos en cada pie, para este tutorial que voy a hacer un robot evit
Construir un Robot Arduino pinza con un DynamixShield.

Construir un Robot Arduino pinza con un DynamixShield.

En este instructable mostraré cómo rápida y fácilmente crear a una pinza de control remoto usando robot y cero de Arduino y un DynamixShield. El DynamixShield es un nuevo Add-on para el Arduino debido, cero o Mega que estoy promoviendo para mi campañ
Cómo hacer un Robot de Mecanum con suspensión

Cómo hacer un Robot de Mecanum con suspensión

Ruedas de Mecanum se utilizan a menudo para construir un robot de la competencia, que puede hacer el movimiento direccional. Cuando el número de ruedas de mecanum es mayor que 3, las ruedas pueden ser no-coplanares. Que por eso se inventó el sistema
Sostenedor de acrílico 3D impresora filamento carrete del - corte láser con mandril de aluminio

Sostenedor de acrílico 3D impresora filamento carrete del - corte láser con mandril de aluminio

Mi primer kit de impresora 3D vino con un láser de corte portacarretes acrílico filamento que lució en la varilla roscada con tuercas en los extremos para sujetar la bobina del filamento. Al principio me gustaba, no funcionó bien. Entonces decidí ree