Paso 14: Hardware, diseño esquemático y Junta



He utilizado todos los 8 datos, RS, R/W y pins E en la pantalla LCD. Es un total de 11 pines en lugar de un mínimo de 6 (4 datos, RS y E). Lo hice para que la pantalla funcione tan rápido como sea posible. Cada vez que aparece la pantalla de Tetris, 8 caracteres personalizados nuevos y 32 todos los caracteres deben enviarse a la pantalla. Esto se hace más rápidamente si se utilizan todos los pines.
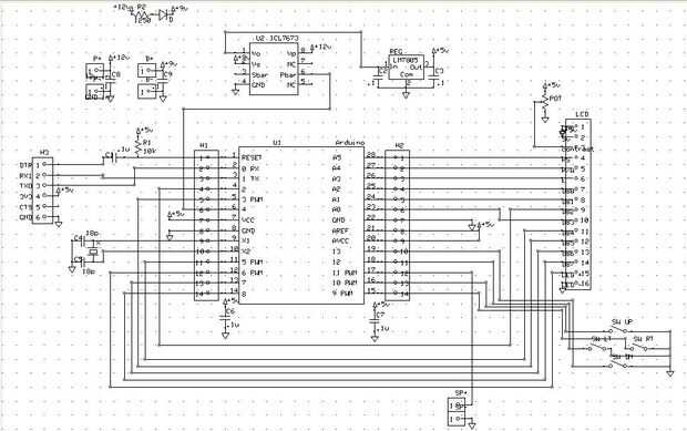
El IC ICL7673 que se utiliza para cambiar entre la batería y red eléctrica es maravilloso. No sólo se cambiar perfectamente sin perder energía para la mayor de las dos tensiones de entrada, pero también indica que voltaje de entrada se está utilizando. Tratar estos pines como interruptores. Es decir, utilizar el ATMega pullup internas resistentes, tirará la línea a tierra cuando se utiliza esta fuente de energía. Cabe destacar el la hoja de datos para el parte dice: "la tasa de giro de entrada de voltaje (VP o VS) debe limitarse a 2V por microsegundo para evitar posibles daños en el circuito." Esto significa que tensión de alimentación no debe ir de 0 a lo que sea demasiado rápido o podría dañar el dispositivo. Para evitar esto recomiendan un "condensador de baja impedancia como un 0.047µF cerámica de disco". Lancé un 0.1uF condensador en cada entrada porque tengo un montón ahí. Nunca puede tener demasiados condensadores de desacople.
El interruptor con llave simplemente interrumpe el cable a la alarma así que mi esposa lo puede callar sin jugar al Tetris.
Usé alambre de embalaje para hacer la mayoría de las conexiones. Esto es una espada de doble filo. Mientras hace el cableado hasta una brisa, no es la conexión más sólida. No he tenido ningún problema excepto por el tiempo que cayó por las escaleras de (madera dura). Que causó 3 de los alambres para romper. Recomiendo no tirarlo por las escaleras o tirando a la pared si no quieres despertar.
El circuito para recargar la batería viene directamente de la hoja de datos de ICL7673 . Se refieren a una de las imágenes para este paso. Decidir la resistencia a utilizar puede ser complicado. Comienzo con la tensión de alimentación 12v, reste 1 v para el diodo evitar conectar la alimentación al revés y 1v para el diodo en el circuito de carga y estamos hasta 10v. El peor caso es que la batería se reducirá a 5v, probablemente nunca recuperará de una descarga de tal pero vamos a ir con ese número. Así que la caída de voltaje total a través de la resistencia en la mayoría es 5v. Queremos que no más que el índice de carga .01C, utiliza una 200mAh batería por lo que no queremos más de 2mA. Ley de Ohm es V = I * son tan la resistencia = 5/.002 o 2500 ohmios. Yo se duplicó a 5600 ohmios al pecar de cauteloso. Esto significa que si la batería es baja puede tomar para siempre recargar. Pero ya que por lo general pasa 23 horas, 58 minutos carga y sólo 2 minutos en energía de la batería mientras juegas Tetris debe ser fino. Realmente no quiero freir (otro jeje) batería.