Paso 11: El hardware


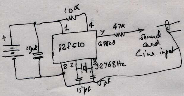
Es un microcontrolador de 8 pines, 12F510, fabricado por microchip. El cable blindado a la izquierda se conecta a la tarjeta de sonido del ordenador. El conector a la derecha conecta el programador y también suministra energía.
Sin desconectar nada ni cambiar las conexiones, el microcontrolador puede ser borrado y reprogramado via ICSP simplemente ejecutando los programas apropiados en el equipo.