Paso 5: Núcleo de la chispa y LEDs



Ahora que nuestro flujo de trabajo está listo, es tiempo para finalmente iluminar los LEDs.
En teoría esto es relativamente simple: después de todo, estamos solamente tratando de luz LED, que es como el "Hola mundo" de Arduino! Sin embargo hay dos pequeños giros.
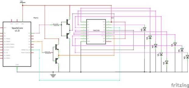
En primer lugar, contamos con cinco usuarios con doce posibles ubicaciones, que nos da 60 LEDs. Puesto que va a ser en sólo cinco LEDs al mismo tiempo, poder no debería ser un problema, pero todavía tenemos que abordar diferentes 60 salidas. Desde el núcleo de la chispa, coche que muchos LEDs, utilizaremos el registro de desplazamiento 74HC595, o más exactamente, ocho 74HC595 shift no registra (ya que cada uno puede controlar hasta 8 salidas).
Para más información sobre este registro de desplazamiento y la forma en que funciona, por favor visite http://www.bildr.org/2011/02/74hc595
El otro pequeño giro es que ya que estamos ocho registros de cambio diversos conectadores, necesitamos utilizar un pequeño circuito para asegurar que la señal estará lo suficientemente fuerte como para cada registro de desplazamiento recogerlo: esto se llama un conductor de línea de vaivén (créditos a http://www.elcojacobs.com/ de los esquemas y para explicar esto en su página web, nos tomó semanas para averiguar)
En el esquema anterior sólo hemos incluido un registro: cuando se usa más, sin embargo, usted debe cable de Q9 patilla de cada registro al pin de datos del Registro siguiente. Las señales de cierre y el reloj deben ser el mismo para cada registro (en el orden de los registros para que funcione correctamente). En nuestro cuadro se pueden ver el cable morado (datos), el cable gris (reloj) y el cable marrón (cierre) de la segunda junta a la primera junta: los datos uno está conectados a la señal de Q9 del registro anterior, mientras que el cierre y el reloj están cableados a la salida de los dos conductores de línea de vaivén
(No olvide agregar una fuente de alimentación externa - se utilizó un tablero de arranque USB micro y cable Vcc a la base y la línea de Vcc de los registros y el suelo... bien al recinto)