Paso 2: Entender los desafíos



- tamaño y colocación del RTC BOB;
- conectar el BOB RTC a la Junta de Meggy Jr sólo a través de los encabezados de plug-in.
Un poco de fondo.
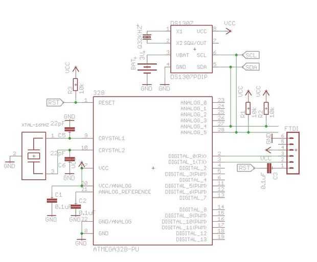
DS1307 habla con un procesador de host de interfaz I2C, también conocido como "dos alambres". Esta interfaz utiliza dos líneas, llamadas SDA y SCL.
DS1307 tiene un conjunto de éstos (pines 5 y 6, respectivamente), como tiene ATmega328 (pernos 27 y 28, respectivamente). Necesitamos conectar estos pines como se muestra en el esquema adjunto.
Junta de Meggy Jr pone a disposición a través de las cabeceras PC4 y PC5, resaltado en la imagen de abajo SDA y SCL.
Para alimentar el chip DS1307 necesitaremos también la línea de 5V (Vcc) y masa (GND). Ya que no queremos soldar los cables a la Junta de Meggy Jr, nos llevará de alguna manera desde el conector FTDI, que se muestra resaltado en la última imagen.