Paso 10: soldadura






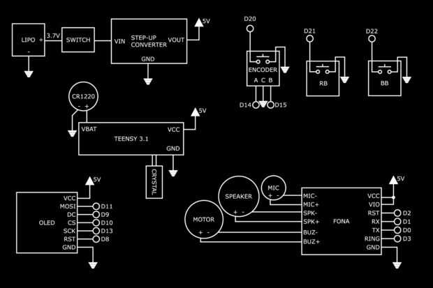
Soldar el circuito principal es sin duda el aspecto más complicado de esta compilación. El A2W tenía alambres de calibre excesivamente gruesa, así que esta vez alrededor que opté por usar mucho los cables más pequeños. Originalmente planeaba usar sobre todo 30 AWG para cables de la señal en el sistema, pero resultaba demasiado incómodo (al menos para mis manos) así que golpea todo hasta 28 AWG para conectar los componentes entre sí. También fui todo lo posible para evitar demasiada tubería de encogimiento de calor, no hay mucho margen en el caso de haber espesado cables de alambre. Sólo necesitaba de la soldadura de una manera inusual para la pantalla OLED. Diseño para estar al ras con la parte inferior de la placa 3D, así que en vez de soldar los cables a través de los cojines normales, simplemente había estañado los agujeros y soldar los cables en la parte inferior de la PCB para mantener el lado de la pantalla perfectamente plana.