Reinita Punk consola (5 / 6 paso)

Paso 5: Agregue un circuito adicional

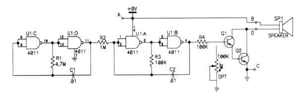
También he añadido este kit de ramsey el loco Blaster Reinita alarma.

en el esquema:
U1 = 4011 IC 14 pines DIP
R3 = potenciómetro de 100 K
Q1 = 2N3904
Q2 = JE200

Artículos Relacionados

Atari Punk Console - neurálgico FabLab

Atari Punk Console - neurálgico FabLab

En primer lugar, quisiera reconocer a un joven llamado en el FabLab aquí en Derry una noche con una APC de un protoboard. Doce años Vincent está interesado en aprender a soldar para evitar la molestia de malas conexiones y nos dio una demostración de
Eureka! Fábrica Atari Punk Console v2

Eureka! Fábrica Atari Punk Console v2

Este circuito cambió mi vida. No es que hipérbole. Déjame contarte una historia-Cuando yo era un niño quería entender electrónica. Me encantaba desarmar cosas y circuitos me fascinó. Un año mis padres me compraron un laboratorio de electrónica Radio
Atari Punk Console

Atari Punk Console

Hola a todos! Bienvenidos a mi primer Instructable sobre cómo hacer la APC o la Atari Punk Console.La consola de Atari Punk es un popular circuito que utiliza ICs dos 555 temporizador o un único temporizador dual 556 IC. El circuito original se conoc
Hacer música con un Atari Punk Console

Hacer música con un Atari Punk Console

algunos circuitos analógicos antiguos son tan populares hoy como cuando fueron introducidos hace décadas. A menudo fácilmente a micros y otras soluciones de circuito digital en términos de simplicidad básica. Forrest ha hecho de nuevo... su ejemplo f
Joystick-sintetizador basado en el Atari Punk Console

Joystick-sintetizador basado en el Atari Punk Console

primero de todo, ¿qué es un Atari Punk Console? Bueno en pocas palabras es un simple ruido haciendo circuito con dos botones, uno para la frecuencia de pulsos de onda cuadrada y uno para la longitud de los pulsos. Al girar las perillas hace ruidos de
Voltaje Controlable Atari Punk Console

Voltaje Controlable Atari Punk Console

hace un tiempo decidí que quería construir un sintetizador análogo modular. Después de hacer algunas investigaciones, descubrí que no sabía todo lo que mucho sobre electrónica analógica de audio en absoluto. Así que lo mejor era empezar desde el prin
Mini sintetizador - Atari Punk Console Mod

Mini sintetizador - Atari Punk Console Mod

sintetizador Mini construí basado en el Atari Punk Console. En vez de dos de 555 o un 556 este utiliza un 555 y un 4013 d-tipo fracaso de tirón. Tiene dos momentáneo pitch Shift (arriba + abajo) tres ollas control de frecuencias diferentes, un interr
Mi circuito dobló Atari Punk Console

Mi circuito dobló Atari Punk Console

aquí es mi Atari Punk Console. He construido un par de años atrás, circuito doblarla de vez en cuando. Comenzó como un estándar muy pequeño, ONU-modded APC en un recinto de plástico proyecto 4x2x1in. He modded circuito doblado tanto desde entonces, a
APC (Atari Punk Console)

APC (Atari Punk Console)

la Atari Punk Console (aka el caminó generador de tonos) es básicamente un simple sintetizador de sonido que se hace usando sólo dos 555 temporizador ICs.Paso 1: ingredientesSon las piezas que necesita:2 x LM555 temporizador ICs2 x 500 Potenciometro
Cuadro de efectos de guitarra de Atari Punk Console

Cuadro de efectos de guitarra de Atari Punk Console

cómo modular su guitarra eléctrica u otro instrumento eléctrico con un Atari Punk Console.Paso 1: Piezas y herramientasConstruir un cuadro de efectos de guitarra APC vas a necesitar:un juego de consola punk Atari (APC) se puede comprar aquí un Fabric
Atari Punk Console - tinta conductora & tu cuerpo

Atari Punk Console - tinta conductora & tu cuerpo

construir una simple consola de Atari Punk que utiliza tinta conductora y su cuerpo para cambiar el sonido! El circuito aquí fue modelado fuera de Joshua Zimmerman maravilloso instructable. El diseño original de la APC, o "Caminó generador del tono&q
Cómo hacer que la consola de Atari Punk

Cómo hacer que la consola de Atari Punk

así que hablando con un amigo me decidí a hacer un sintetizador, un básico, pero agradable. Así que pensé ¿por qué no? Así que añadiré mi contribución a la historia APC!La consola de Atari Punk tiene una larga historia para que puedas comprobar aquí.
Atari Punk órgano, un simple sintetizador 555

Atari Punk órgano, un simple sintetizador 555

este es mi órgano de Atari punk, es un piano del 555 temporizador a través de un generador de Atari punk console monoestable, el piano se basa en otro instructivo que hice: tiene 2 altavoces que reproducir sonido diferentes al mismo tiempo, que hace
Atari Punk Stick

Atari Punk Stick

la Atari Punk Console es un fabricante de ruido clásico de 8 bits. Es fácil de construir y requiere muy pocos componentes-los que están disponibles en su distribuidor local de electrónico, como Radio Shack. El problema con la consola de Atari Punk es