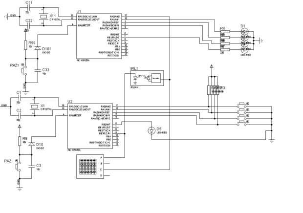
Receptor de infrarrojos para control remoto

este proyecto está basado en un microcontrolador PIC16F84,
Se ha añadido un relay 5vDC en este receptor para encender o apagar una luz desde un control remoto.

Artículos Relacionados

Receptor de infrarrojos para captar infrarrojos

Receptor de infrarrojos para captar infrarrojos

construir un serial receptor infrarrojo para controlar su ordenador a través de control remoto y captura de señales de infrarrojos.Paso 1: Los componentes El primer requisito es un Puerto serie (RS-232). Estos chicos son bastante anticuados, por lo q
Configurar el puerto ethernet de Raspberry Pi para control remoto

Configurar el puerto ethernet de Raspberry Pi para control remoto

este instructable le mostrará cómo configurar el puerto ethernet de frambuesa Pi rápidamente y ejecutar de forma remota.  Esto elimina la necesidad de conectar un monitor, teclado y ratón para usar el dispositivo.Se trata de un Instructable muy básic
Detector de humo de la reanudación para control remoto uso con experimentos

Detector de humo de la reanudación para control remoto uso con experimentos

uno de los chicos en nuestro foro (Foro de TEEP) surgió la gran idea de colocar una alarma de humo sobre su estación de trabajo de Bedini, he ido un poco más con esta idea.Hago mis experimentos hacia fuera en el cobertizo, si pongo un detector de hum
Reutilización no deseados Control remoto por infrarrojos para uso con XBMC/KODI en frambuesa Pi

Reutilización no deseados Control remoto por infrarrojos para uso con XBMC/KODI en frambuesa Pi

IntroducciónControl remota controlar el media center es una gran aplicación de Control remoto infrarrojo de Linux (LIRC). Hay absolutamente un número de tutorial de como implementar el control remoto por infrarrojos con XMBC/KODI. Después de seguir e
IRK! Teclado USB de teclas con control remoto infrarrojo

IRK! Teclado USB de teclas con control remoto infrarrojo

IRK! es un teclado USB, sin llaves, que se puede utilizar simplemente usando su control remoto infrarrojo de aprendizaje .Creé que me permite controlar mi MythTV de cine en casa PC con mi control remoto infrarrojo de aprendizaje en lugar de tener que
Control remoto de 2 canales sin IC [bueno para helicópteros!]

Control remoto de 2 canales sin IC [bueno para helicópteros!]

Este Instructable le mostrará cómo hacer un control remoto de 2 canales que puede utilizar para sus helicópteros de control remoto!Para control remoto multi canal, puede utilizar un CD4017 tanto en el transmisor y los circuitos del receptor.Se necesi
Aire acondicionado ESP8266 WiFi control remoto

Aire acondicionado ESP8266 WiFi control remoto

En mi primer instructableArduino Yun - sistema de monitoreo de Panel Solarque compartí mi pequeño proyecto para supervisar la producción de nuestros paneles solares. Como tenemos que tener cuidado de no producir más energía de la que consumimos, el s
TV de auto control remoto - Arduino

TV de auto control remoto - Arduino

Hackear tu TV control remoto y controlar un coche rc, mediante "Arduino Uno".Se trata de una forma sencilla de controlar tu coche usando el módulo de receptor IR programado en la placa arduino y el control remoto de TV.En este instructivo te exp
Control de servomotor con control remoto

Control de servomotor con control remoto

Si buscas comodidad y controlar remotamente sus dispositivos electrónicos, usted encontrará su necesidad en este instructable.En este instructivo vamos a aprender cómo controlar un servomotor con control remoto, esto le dará un concepto general acerc
¿Cómo reparar el control remoto

¿Cómo reparar el control remoto

¿estás cansado de ir al frente de su televisor para cambiar de canal? ¿Quieres ahorrar dinero de la compra de costosos controles internacionales? Si hace clic en esto, tal vez lo sean. Bien esta es la respuesta para tu pregunta. Esta Instructibles le
Inteligente de control remoto de TV basados en la Web de Homero

Inteligente de control remoto de TV basados en la Web de Homero

Inteligente de Homer, una marioneta remoto TV Web-enabledHomero inteligente es una marioneta de Web-enabled que se enciende el TV cuando Simpson. Como Homer es demasiado perezoso para navegar por la Web a sí mismo, una secuencia de comandos en la nub
Hacer el teléfono/tablet/escritorio un control remoto con un Raspberry Pi

Hacer el teléfono/tablet/escritorio un control remoto con un Raspberry Pi

Tengo mi equipo de trabajo en red y audio/vídeo en un armario de cableado. Algunos equipos como los receptores de satélite tienen control remoto de RF. Pero la mayoría de los equipos tiene control remoto por infrarrojos. Este Instructable le mostrará
Control remoto IR de PICAXE Micro

Control remoto IR de PICAXE Micro

el propósito de este blog es mostrar cómo un mando IR a un procesador PICAXE - 18M 2 para robótica o automatización de la interfaz. Mandos a distancia universales son baratos (¿qué casa no tiene algunos de ellos)? El código es muy simple. Plan sobre
ATtiny y control remoto Wiebelbot

ATtiny y control remoto Wiebelbot

hacer este 5,5 cm altura ATtiny robot base giro excéntrico con casi cualquier IR remote.Poner al lado de su televisor y muestra su felicidad cada vez que use su control remoto (esta manera al menos alguien consigue algún movimiento). O usted puede ba