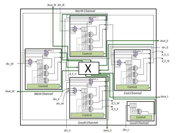
Re Router configurable utilizando NOC

Esta la imagen de lo que tuve que implementar utilizando Verilog y el software utiliza es 6.5 Modelsim Xilinx

Es publicado un artículo sobre en IEEE con nombre Re-configurable Router de baja potencia y alto rendimiento.

Artículos Relacionados

Construir un router CNC

Construir un router CNC

este instructable le mostrará cómo construí mi router CNC. Espero que usted puede dibujar algunos inspiración de mi generación y que este instructable te será de ayuda para sus proyectos de futuro. Este instructable muestra todos los pasos que atrave
Cómo instalar Linux / DD-WRT Firmware en tu Router

Cómo instalar Linux / DD-WRT Firmware en tu Router

El firmware stock de routers está diseñado para minimizar las llamadas de soporte y como resultado a menudo es muy simplista. Recientemente usé un Linksys router que no me permite ver la dirección MAC de los dispositivos, o al puerto de configuración
COMPACTA y robusta agricultura automatizado remoto

COMPACTA y robusta agricultura automatizado remoto

Heya chicos... Esta de aquí es interesante así como uno de los proyectos cruciales que hemos hecho hasta ahora. Utiliza una amplia gama y más cool de los dispositivos. Hemos sacrificado un muchas noches de sueño, bunked horas de clases y trabajado pa
WiFi seguridad en el hogar y oficina

WiFi seguridad en el hogar y oficina

Actualización 13/04/2015: de selección rápida de autor añadidoActualización 04/12/2015: añadido un paso para las pruebas de seguridad adicional.Actualización 04/05/2015: paso adicional agregado con información y enlaces sobre backdoors y otros riesgo
Escondite en un registro de

Escondite en un registro de

¿Has alguna vez perdió sus llaves y bloqueado fuera de su casa debido a? Si es así, entonces este escondite secreto evitará vuelva a suceder.Paso 1: Encuentre un registro y el equipo necesario * Taladro eléctrico* 3/8 broca* 3/8" espiga* Serrucho* Ro
Cómo hacer una tabla de cortar de grano de extremo SUPER SWEET!

Cómo hacer una tabla de cortar de grano de extremo SUPER SWEET!

Hola y Bienvenidos a la mejor guía para hacer una tabla para cortar grano SUPER dulce final. Por el momento que esto es sobre usted tendrá un asesino cortar tablero mostrando el final natural hermoso grano de madera tan bonito, que usted estará orgul
Super mesa de fresadora rápida de desechos

Super mesa de fresadora rápida de desechos

Necesidad es la madre de la invención y tenía una necesidad. Quería algo de madera en una caja que estaba construyendo para mi esposa del embutido. Me sentía como una mesa de fresadora les sería más fácil en vez de usar el router portátil. Hice un rá
Epilog Laser instrucción

Epilog Laser instrucción

Aquí hay un breve tutorial sobre el uso de watts de Epilog Laser grabador 75 de FabLab Tacoma, tamaño de la cama de 36 x 24. Esto se configura utilizando Corel Draw con una imagen vectorizada de un pato. Esto no solicitar cada grabador del laser y si
Aprender cómo para hackear

Aprender cómo para hackear

, hacking se utiliza principalmente en los "viejos tiempos" para el aprendizaje de información sobre los sistemas y en general. En los últimos años, gracias a unos actores de villano, hacking ha tomado connotaciones oscuras. Por el contrario, mu
Cómo confiure más de una VLAN y conéctelos.

Cómo confiure más de una VLAN y conéctelos.

El beneficio de hacer vlan (red virtual) es le permiten hacer tantas red con menos precio.Empleando rastreador de paquetes de cisco.Aviso: los únicos que se quedaron CCNA entienda la configuración.Paso 1: Puting ID e ip dirección de red. Para poner u
Hacer que una impresora 3D utilizando un router CNC - el "Deltabot"

Hacer que una impresora 3D utilizando un router CNC - el "Deltabot"

Otro título posible sería "Hacer una máquina 3D usando una máquina de 2D".Este Instructable es sobre el uso de un router CNC y diseños 2D para crear una impresora 3D de Delta.En mi investigación sobre impresoras 3D para aficionado he encontrado
Plantilla de la curva para corte de borde utilizando un router

Plantilla de la curva para corte de borde utilizando un router

recientemente me pidieron construir un proyecto que requiere una bonita, pero barata mesa. Decidí poner esquinas curvas en vez de los 90 consejos de grados como la tapa de tabla necesarias para mover todo un poco y pensé que sería bueno tener los bor
Cómo hacer un tazón de madera redondeado - utilizando un Router

Cómo hacer un tazón de madera redondeado - utilizando un Router

¡ Mira el video de YouTube de mí haciendo el tazón! Hay una versión corta y una versión más larga.Paso 1: Pegar la madera aLo primero que hice fue cortar la pieza original para arriba y péguelo para darle más anchura que el tazón de fuente se compone
Mini-Hanon / Router / modelador para herramienta rotatoria Dremel

Mini-Hanon / Router / modelador para herramienta rotatoria Dremel

Mini - Sierra de mesa / Router / Shaperpara la herramienta rotativa Dremel.Ahora que la votación del concurso de Dremel supongo que está bien para actualizar este instructable. Aquí está un video de "suplemento" que muestra que la Sierra de mesa