Paso 4: El tablero de prueba




Esta práctica se llama 'validación' y su objetivo es reducir la cantidad de incertidumbres o errores así evitan varios problemas al mismo tiempo para resolver.
Las primeras pruebas se han realizado en los canales de resistencia utilizando el formulario de ejemplo 'AnalogInOutSerial' IDE Arduino, donde cambió la línea de abajo según el canal deseado.
const int analogInPin = A0; Clavija de entrada analógica que el potenciómetro está conectado a
Los canales de la resistencia A, B, C, D se asignan a Arduino analógicas las entradas A0, A1, A2, A3
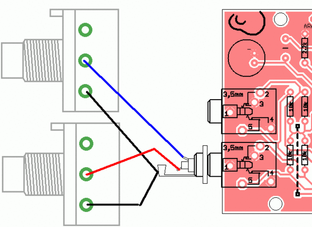
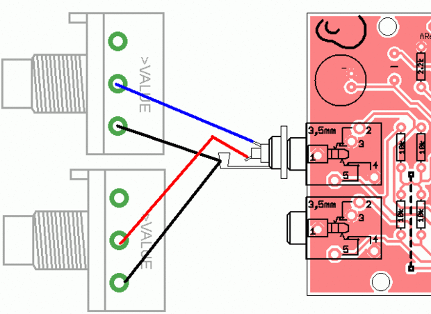
Un cable con un par de potenciómetros de 100K y un enchufe P2 se han construido para ayudar a realizar dicha prueba.
Con potenciómetros de 100K el valor mostrado en el terminal serie se varía entre 0 y 930. Utilice el Monitor serie del IDE de Arduino, como en el ejemplo (Tools -> Serial Monitor).
La siguiente prueba era el regulador. Aún usando el ejemplo de 'AnalogInOutSerial', cambie el valor de analogInPin A5
const int analogInPin = A5; Clavija de entrada analógica que el potenciómetro está conectado a
Puesto que el regulador no tiene un resistor de la serie, el valor que se muestra en el terminal serie se varía de 0 a 1023.
El siguiente paso es realizar la prueba de sensores de luz y sonidos, y en primer lugar vamos a hacer esto sin que ello suponga el multiplexor analógico. Después saque el 4066 y corto circuito los pines 3 y 4 de la toma (recuerde apagar el Arduino antes de quitar el IC).
Aún usando el 'AnalogInOutSerial' cambiar el valor de analogInPin a A4.
const int analogInPin = A4; Clavija de entrada analógica que el potenciómetro está conectado a
Ahora, señalan una linterna al sensor y compruebe los valores de cambio de terminal de serie. La cantidad exacta del cambio depende de la sensibilidad de lo foto-transistor utilizado.
Ahora retire el cortocircuito de los pines 3 y 4 y hacer un corto entre los pines 8 y 9.
Ahora hablar cerca del micrófono y compruebe que los valores impresión terminal serie om (sin necesidad de cambiar el valor de analogInPin, ya que luz y sonido comparten el mismo canal del ADC, ¿recuerdan?)
Ahora vamos a probar el múltiplex. Retire el cortocircuito entre los pines 8 y 9 y vuelva a instalar el 4066 (recuerde apagar el Arduino antes de insertar el IC).
Use este bosquejo para el múltiplex. Punto una linterna para el sensor de luz y hablar cerca del micrófono mientras mira los valores en el terminal de serie. Usted debe ver ambos valores cambian en consecuencia.
Las últimas pruebas son el botón. Como punto de partida utilizar el ejemplo de "Botón" de Arduino y cambiar y comprobar que se apaga el LED de la placa de Arduino (conectado al pin 13) apretando el botón y se enciende cuando el botón es liberado.
Ahora, utilizar este bosquejo para realizar una prueba general de la Junta. Lee todos los sensores y los valores de impresión en el terminal de serie. Aviso que hasta ahora hemos estado utilizando el estándar de 9600 baudios la velocidad de los dibujos de ejemplo, pero para las pruebas generales la velocidad debe cambiarse a 38400.