Paso 2: Los desafíos




Si conoces bien a Arduino y prestado atención a la última etapa, usted puede ser notado cero espera recibir 7 lecturas analógicas, pero un Stardard Arduino tiene sólo 6 canales. Es el primer desafío.
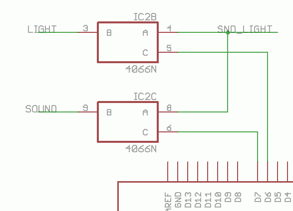
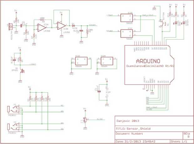
Para lograrlo, la solución encontrada fue implementar un multiplex con un 4066 que es un conmutador analógico bidireccional quad CMOS. Uno a la vez que cada interruptor se activa y el correspondiente canal de ADC se lee.
Eligen los canales a ser multiplexados fueron de la 'luz' y 'sonidos' sensores, ya que estabiliza los condensadores (filtro), que hacen cambios en esos canales que ocurren mucho más lentamente que la conmutación.
Por supuesto, el esquema de conmutación tuvo que ser probado antes de ir, pero por suerte, funciono muy bien!!
Junta de DIYable
Un segundo desafío era hacer este escudo DIYable. Implica en una mesa sola cara con jumpers como pocos como sea posible.
Para lograr el diseño de la cara solo que he comenzado por elegir el lugar de los conectores y los sensores de luz y sonidos. Luego la Asociación de los pines de Arduino con los sensores, así como las mitades de las mitades del OPAMP y las puertas de los interruptores analógicos fueron experimentados hasta que las líneas de 'ratsnet' mostraron aa poco limpiamos. Al final el resultado se logró con sólo 2 puentes.
(Nota: la Junta disponible en los archivos se ha optimizado aún más, y ahora existe solamente un puente)
Para ahorrar espacio y simplificar el estéreo de diseño 2 gatos se han utilizado en lugar de 4 del diseño original.
Placa de circuito impreso está aquí (águila)
Esquemas están aquí (pdf / eagle)