Paso 1: Diagrama del circuito

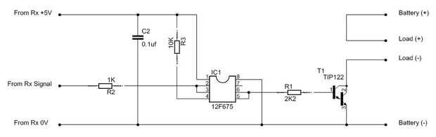
No hay circuitos especiales o complejos... El circuito sí mismo se alimenta del receptor y la señal del receptor es alimentada en el PIC mediante un resistor de protección (1K). El PIC utiliza resistencias pull-up interno en esta entrada, eliminando así una resistencia externa.
La salida del PIC conduce un transistor TIP122 darlington para encender la carga. El transistor es capaz de cambiar hasta 2A a 14.4V sin necesidad de cualquier disipador de calor.
La carga o los LEDs están conectados a una batería (o la batería del motor eléctrico) y no del receptor.