Paso 3: El controlador




En la parte posterior debe haber los 3 conectores para 3 estaciones (he usado XLR de 5 pines), el conector de red (o el cable que sale directamente o un conector para fuente de alimentación externa, si prefiere) y el conector de "opción" (opcional).
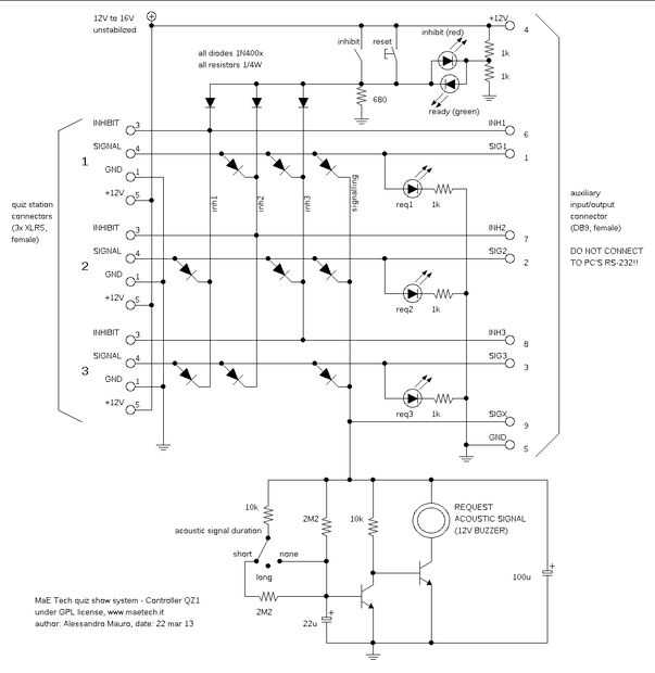
En la parte superior debe haber un interruptor y un botón para activar/desactivar y reiniciar. He utilizado un botón basculante combinado que tiene tres posiciones, centro abierto, estable interruptor en una forma y empuje de botón momentario de otra manera. Debe ser el interruptor de la alarma acústica (opcional, yo he usado interruptor de tres posiciones) y debe haber algún tipo de indicación led: uno para el sistema y 3 para 3 estaciones. He utilizado bicolor con dos hilos para el sistema.
OK, así que los agujeros, un agujero adicional en el lado de la caja, para el timbre. No tengo ningún interruptor eléctrico como el dispositivo está diseñado para ser independiente de la red cuando no esté en uso. Si se utiliza fuente de alimentación externa es más seguro.
Monte todos los leds, interruptores, conectores y el zumbador. Para el LED y zumbador, pegamento caliente será muy útil.
Seguir los esquemas y fotos, todas las resistencias deben soldarse detrás el led e interruptores. Los pocos componentes para el temporizador de timbre pueden ser soldados como un "insecto muerto", o puede utilizar un pedazo pequeño de protoboard si lo prefiere.
Deben soldar los 12 diodos como una matriz en la parte trasera de los conectores. Esta es la fase probablemente más molesta del proceso de construcción.
Finalmente escriba las funciones de los botones y leds en el panel frontal, o impresión de una máscara en papel adhesivo como lo he hecho.













