Paso 1: esquemas de

El objetivo del sistema es esta. El competidor se reserva para responder a la pregunta pulsando el botón, encenderán sus luces y se emite un sonido. Inmediatamente se desactivan las otras estaciones, hasta que el presentador reinicie el sistema.
Para obtener este comportamiento puede proceder de dos formas diferentes:
** microcontrolador o circuitos de digital: una o más fichas en el tablero electrónico son suficientes para hacer la parte lógica del "sistema de prueba". PRO: totalmente personalizable, barato (especialmente para la producción de en la escala), centralizado. CONTROL: se necesita más tiempo de diseño, realización de un prototipo necesita tiempo.
** electromecánicos circuitos: la lógica se alcanza a través de diodos y relés. PRO: barato, fácil de construir y fiable. CONTRO: no para en la escala de producción, no personalizable, complejidad crece con el número de estaciones.
La segunda forma fue inicialmente sólo un desafío, pero luego comencé a averiguar como la mejor opción. Lo interesante es que el circuito electromecánico es un esqueleto sobre el cual se puede construir, en un futuro, una eventual gestión digital/computarizado.
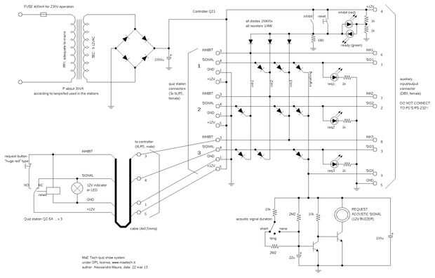
Echa un vistazo a los esquemas.
Los relés son descentralizados ya que forman parte del circuito de sistema de pulsador de la lámpara. De esta manera el circuito es más lógico y fácil de construir. Los botones están normalmente cerrados, para que el relé excitado cierre su circuito. Cuando se presiona el botón el relé es lanzado para pasar dos cosas: se abre el circuito del relé de botón, así que si se suelta el botón no ocurre nada (esto asegura la encuesta precisa del empuje instantáneo) y el otro circuito está cerrado encender el indicador luminoso, la señal acústica, y obligando a los otros relés en. Lo último se logra a través de una red de diodos. Por supuesto, las estaciones más desea, lo más complicado es la red. Último pero no menos importante, restablecer e inhiben los interruptores (lógicamente diferentes, eléctricamente la misma) obligará a todos los relés de cierre otra vez sus circuitos hasta que se pulsa un botón rojo grande.
La parte del circuito donde un microcontrolador es la falta de mayoría, es la señal acústica. Tiene que ser limitado en el tiempo por lo que es necesario algún tipo de temporizador. Un microcontrolador habría hecho por software sin problemas (.. .fully personalizable... decía también). La red en la parte inferior del esquema proporciona un temporizador bastante bueno (no exacto, ya que los condensadores de descarga entre una reserva y el otro), con la posibilidad de elegir entre corto, largo y ninguno.













