Paso 3: circuito


No entraré en mucho detalle en la parte de alto voltaje del circuito, sólo asegúrese de que tomar las precauciones necesarias cuando se prueba. El alto voltaje alimenta los 24V y las fuentes de alimentación de 5V. La fuente de alimentación 24V alimenta el amplificador y el paso de DC-DC conversor. Necesitará añadir un interruptor (y opcionalmente el fusible) en la fase de alta tensión. También necesitará agregar un interruptor para corta el relé cuando se juega de la toma.
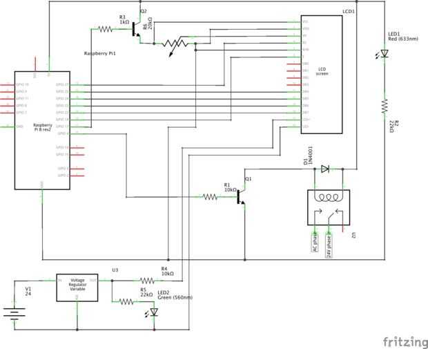
Pines GPIO
La mayoría los pines GPIO se utilizará para controlar el LCD. Uno se utilizará para activar el relé, así encender la fuente de alimentación de 24V. También utilizaremos un + pin de 5V y tierra.
Control de relé de
Esto es un clásico del circuito que se puede utilizar cuando desee cambiar un relé electromecánico de un Pi. El diodo está aquí para asegurarse de que ningún pico de voltaje volver al transistor y Pi. El transistor básicamente aumentar la corriente que se alimenta de su rama de base. El transistor que utiliza tiene una ganancia de alrededor de 600. Si la corriente de base es suficiente, llegará a saturar el transistor y por lo tanto el voltaje a través de su emisor y el colector será cero.
Se calcula la corriente necesitada por el relé de su resistencia y el voltaje (I = U/R). La tensión es de 5V y la resistencia es de 70 Ohms. La corriente necesaria es de al menos 71 mA, que significa que necesitamos una corriente de por lo menos 0,118 mA en el transistor. Podemos controlar esto mediante una resistencia entre el GPIO y el transistor. Usando R = U / I (U = 3, 3V), obtenemos R < = 28 Kohmios. Podemos poner una resistencia de 10 kohm para asegurarse de que el transistor está saturado.
Control de LCD
También usamos un transistor para controlar la entrada de voltaje de la pantalla LCD. Se necesita una resistencia de 1 kOhm para limitar la corriente que se puede extraer de la Pi para evitar daños, será más que suficiente para que la pantalla LCD. Aquí está la correspondencia de pines para un LCD de 16 pines:
- 1: suelo
- 2:5 o 3.3V dependiendo lo que elija
- 3: contraste
- 4: RS, register select (high = datos, = bajo comando)
- 5: R/W (bajo = escritura, alta = leer) esto fijamos al suelo
- 6: E, habilitar
- 7-14: pedacito de pins (usaremos solo los 4 últimos en una operación de 4 bits)
- 15: ánodo de LED (+)
- 16: cátodo de LED (-)
Para poder ajustar el contraste, conectamos el pin 3 de un potenciómetro. Los datos de pedacito, cables RS y E ir directamente de la Pi a la pantalla LCD. El extremo del pin 2 y uno del potenciómetro se conectan a la rama de colector del transistor. Los pines de los LED están conectados con el paso de DC-DC conversor que está alimentado por la fuente de alimentación de 24V (así se activará el relé). Tienes que escoger un resistor, o utilizar un potenciómetro que se atenuará un poco la luz de fondo a tu gusto. Usé una resistencia de 10kOhms.
El resto de la información que necesita para su cableado están en el esquema. Había soldado todo esto en un protoboard regular.
Audio
Usted tiene que soldar un encabezado en el puerto I2C del Pi para alimentar el Hifiberry. La señal analógica viene de 3 conexiones poco en el lado de la Hifiberry (hay que soldar algo aquí también). Esto va para el dip switch junto con los cables de 3,5 mm de entrada. Toma 3 polos en el interruptor a un canal. Tenemos que cambiar a izquierda y derecha por lo que necesita un interruptor de 6 pines. La salida va al potenciómetro y luego al amplificador. Cuando usamos el conector de entrada, tenemos que corta el relay para encender el amplificador. Se ha añadido un pequeño interruptor en la parte posterior para ello.