Proyecto Simple de energía inalámbrico (2 / 3 paso)

Paso 2: Panorama de conexiones

Artículos Relacionados

Detector de energía inalámbrico

Detector de energía inalámbrico

estaba tratando de hacer un simple detector para encontrar si un cargador inalámbrico es defectuoso o no. Este detector es una bobina de voz de un viejo disco duro conectado a un LED. Esto parece detectar la energía de un cargador de cepillo de dient
Contador de energía inalámbrico con Control de carga

Contador de energía inalámbrico con Control de carga

INTRODUCCIÓNHola chicos soy un 3er año Universidad estudiante de Lovely Professional University, India actualmente cursando ingeniería electrónica y comunicación.Canal de YouTube::: https://www.youtube.com/channel/UC6ck0xanIUl14Oor...Perfil en Facebo
Inalámbrico potencia transmisor y receptor

Inalámbrico potencia transmisor y receptor

estaba trabajando en un concepto de diseño que tiene un montón de electrónica en una caja que se comunica con un PC sin usar cables o batería. Lo primero que tenía que hacer era de la electrónica de potencia, así que me puse a buscar un diseño de tra
Cómo agregar tonos de llamada personalizados a un timbre inalámbrico

Cómo agregar tonos de llamada personalizados a un timbre inalámbrico

Timbres más apenas toman un tono genérico simple. Pero pensé que sería divertido para modificar el timbre de la puerta para que tenga un tono de llamada personalizable. De esa manera se puede establecer para jugar música o encargo saludos. Usted podr
Invisible teléfono inalámbrico Skype

Invisible teléfono inalámbrico Skype

este proyecto se basa en proyectos anteriores de teléfono inalámbrico Skype pero este tiene el circuito cuidadosamente almacenado en la base del cargador del teléfono. Estoy usando un teléfono inalámbrico Uniden 900 Mhz. Vea SkypePhone.xls debajo de
Hacer un robot simple de RF inalámbrico con Arduino!

Hacer un robot simple de RF inalámbrico con Arduino!

ACTUALIZACIÓN: HE AÑADIDO CONTROL DE JOYSTICK A ESTE ROBOT. POR FAVOR CONSULTE EL PASO 7 SI DESEA CONTROLAR EL ROBOT POR MEDIO DE JOYSTICK.Hola,Este es mi primer instructivo y en este tutorial voy a mostrarte, cómo construir un simple robot inalámbri
Inalámbrico de transferencia de energía mediante circuito de joule thief

Inalámbrico de transferencia de energía mediante circuito de joule thief

Intro:En este instructable mostraré cómo lograr la transferencia de energía sin hilos con el circuito del ladrón joule simple.Dispositivo es capaz de transmitir energía sin cables, dependiendo del voltaje de entrada, a unos 15 cm de distancia.Este pe
Inalámbrico de consumo de energía eléctrica de monitoreo y registro de

Inalámbrico de consumo de energía eléctrica de monitoreo y registro de

son conocidos muchos consumo eléctrico monitoreo o medición de dispositivos - industrial realizado, basado en Arduino etc..En general no lo han hecho capacidades - pantalla Mostrar datos de monitoreo de datos remotos. Algunos de ellos pueden ser util
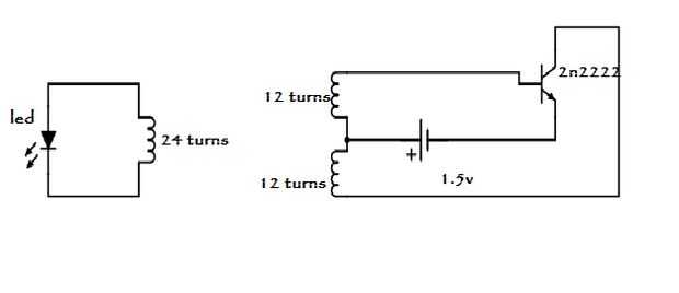
Energía inalámbrica simple

Energía inalámbrica simple

facilitan la electricidad inalámbrica con este sencillo DIY!Este proyecto utilizará el principio de acoplamiento magnético inductivo para transferir electricidad entre dos bobinas separadas.Paso 1: materialesEn general, este experimento no requiere d
Inalámbrico alimentado bling difundido con sideglow fibra óptica: es el proyecto

Inalámbrico alimentado bling difundido con sideglow fibra óptica: es el proyecto

Usted es el de proyecto. una Wireless con fibra óptica lateral resplandor difuso blingTengo esta idea de hacer joyería de novedad para mi parienta, vestibles electrónica de algún tipo con carga inalámbrica.En un evento al azar aparente que tendría un
Inalámbrico de energía utilizando UMK8

Inalámbrico de energía utilizando UMK8

Ok, este proyecto es no cualquier investigación para la energía inalámbrica graves, con alta eficiencia, es sólo un proyecto de microcontrolador de tiempo libre y todo el variable y el ajuste en este proyecto es que obtener a través de prueba y error
Cortacésped inalámbrico de energía solar

Cortacésped inalámbrico de energía solar

Hola y gracias por leer mi 'cómo hacer un cortacéspedes de césped accionado Solar'. No tomar ninguna foto de él cuando se estaba construyendo, como estaba ocupado el edificio. Espero disfrutar este Instructable y obtener algunas buenas ideas en su pr
Simple Robot inalámbrico sin microcontrolador

Simple Robot inalámbrico sin microcontrolador

Un robot que no necesita ningún tipo de programación o complejo circuito a construir, se trata de un robot de principiante, cualquier persona puede hacer esto sin mucho conocimiento de electrónica, todo lo que necesitas es componentes adecuados y col
Proyectos de Carlitos: Inalámbrico controlado por discurso Arduino Robot

Proyectos de Carlitos: Inalámbrico controlado por discurso Arduino Robot

Todos soñamos con tener aparatos y máquinas que pueden obedecer a nuestros comandos hablados. Bien, vamos a tomar el primer paso para que esto suceda y construir un intervención controlada basada en Arduino robot móvil.Puedes estar pensando que hacer