Proyecto L.U.V.I.A (ayuda a bajo costo discapacidad Visual ultrasónico) (3 / 6 paso)

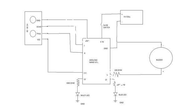
Paso 3: Diagrama del circuito y hacer las conexiones:

Se trata de esquemas de circuitos. basta con conectar los componentes a arduino respectivas patas y conectar el arduino al pc o portátil mediante un cable usb. Si usted compra genuina placa arduino programación entonces costumbre ser un problema. su chip ftdi se encargará de la programación a través de arduino ide programa en página web de arduino.cc. Si usted compra clones baratos de lo de ebay y amazon que cuesta sólo unos cuantos dólares, usted necesita descargar e instalar el controlador de usb de 340 g de ch. está disponible en google. solo escribirla y usted lo conseguirá. o buscar en la página web wooduino.ca.

Artículos Relacionados

El proyecto de la píldora a un muy bajo costo.

El proyecto de la píldora a un muy bajo costo.

Nota: (se necesita el navegador Firefox para ver correctamente el sitio. IE no le permitirá abrir la derecha fotos o hacer comentarios sobre lo que ves. Gracias por ver el sitio).Este proyecto comenzó con mi esposa en el hospital. Ella puso mi píldor
Proyecto de Radar ultrasónico de Arduino

Proyecto de Radar ultrasónico de Arduino

En este proyecto, vamos a hacer ultrasonido radar, radares militares como ustedes saben por que refleja la frecuencia de radio ölçülmektedir.çok que la exploración de un área grande del radar de la detección de aviones en uso para este proyecto en un
Ayuda de estacionamiento ultrasónico

Ayuda de estacionamiento ultrasónico

Hay varios instructables ya que utilizan el sensor de distancia ultrasonido HC SR-04 como un observador de estacionamiento; Éste es el mío. Puntos de interés a este:Utiliza la pila de Arduino, pero el hardware es un PCB personalizado, que permite la
Adaptable de beber ayuda a personas con discapacidad

Adaptable de beber ayuda a personas con discapacidad

Personas con discapacidad no son siempre capaces de sostener su propio trago. Para resolver este problema, como un equipo de diseñadores industriales de 2 y 1 terapeuta ocupacional, diseñamos una ayuda bebida hecha de materiales cotidianos con técnic
Mi sexto proyecto: Elegante chasis tanque con Sensor ultrasónico

Mi sexto proyecto: Elegante chasis tanque con Sensor ultrasónico

En los proyectos anteriores he intentado diferentes maneras de controlar manualmente el tanque inteligente. Pero, ¿qué tal si el tanque hace su propia decisión y el control de sí mismo? Debe ser bastante interesante. Sensor de ultrasonidos puede ayud
Bajo costo herramienta armario - palets de tablero de madera aglomerada/conglomerado repurposed. Barato y proyecto de madera animadas. Armario un outils

Bajo costo herramienta armario - palets de tablero de madera aglomerada/conglomerado repurposed. Barato y proyecto de madera animadas. Armario un outils

reasignación de palés de aglomerado/madera aglomerada bajo para hacer un armario de la herramienta práctica para el uso en un taller bien ventilado. No normalmente trabajo con los materiales pero 4 subido recientemente a mi proveedor y tenía sólo el
Bajo costo 24 Led bicicleta luz proyecto

Bajo costo 24 Led bicicleta luz proyecto

este es mi primer Instructable.Monto en mi 10 años ancla de barco,una tienda de caja grande muy modificada moto, el año en todos los tipos de clima, diariamente.Particularmente que casa en la noche de un viaje de 26 millas.Necesitaba algo para hacerm
Manejable Segway clon - bajo costo y fácil construcción

Manejable Segway clon - bajo costo y fácil construcción

Este Instructable le mostrará cómo construir un clon de Segway capaz de paseo. Aquí están sus características:Fácil montaje sin soldaduras, no complicada dirección acoplamiento y soldadura mínima.Utiliza un fácilmente disponible $3 digital Junta IMU
Hacer un conjunto de aulas de planta Prensas

Hacer un conjunto de aulas de planta Prensas

Este Instructable te muestra cómo hacer un conjunto de cuatro prensas de planta (también llamado "Prensas botánicas" o "Prensas de flores").Cada pulsación puede acomodar por lo menos diez especímenes (o "pressimens"), que deb
Collar glittery tubo

Collar glittery tubo

Aquí es una idea divertida, fácil de la joyería que no requiere ninguna habilidad adicional. Se llama el collar de tubo brillante, y es un gran proyecto para hacer y vender a un muy bajo costo!Paso 1: Lo que necesitaráAquí está lo que debe hacer sus
Expositor de actualizar / LED Hack

Expositor de actualizar / LED Hack

Tengo un viejo proyector de Dorcy que utilizo todo el tiempo. Por desgracia, la luz fluorescente auxiliar que está incorporada en esta unidad estaba fallando. Quería mantener esta característica de la luz. Tenía una vieja linterna de LED que el inter
DIY oficina pecera

DIY oficina pecera

por lo tanto, para empezar he trabajado en Arkwin Industries hace casi cinco años y acaba de instalar nuevos cubículos. Uno de mis compañeros de trabajo y estuviera bromeando alrededor sobre qué hacer con la porción de vidrio hueco en la parte superi
Repensar el teléfono para invidentes - con un bastón inteligente

Repensar el teléfono para invidentes - con un bastón inteligente

Aquí está el primer prototipo del teléfono de Arduino para invidentes utilizando un Arduino Uno y Seeed studio GPRS shield 1.0. Hay dos características que tiene este teléfono, que es conducido por el selector de modo, justo debajo de donde dice "ojo
Motion Following Robot

Motion Following Robot

¡ Hola comunidad instructables!Después de jugar con un Arduino para un par de meses y leyendo ávidamente instructables, decidí que sería finalmente publicar mi propia. Yo quería crear algo que se mueve por sí mismo. También quería crear un sistema qu