Paso 5: Fuente de alimentación





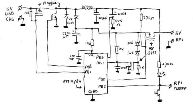
Una de las desventajas de tener una máquina de arcade que es pequeño que generalmente no se queda en su lugar: la mejor manera de jugar es recogerla y sostenga en sus manos, con dos dígitos control el joystick y los botones. El problema con el Raspberry Pi es que necesita 5V, y hasta ahora, me he alimentado lo que la utilización de la entrada mini-USB de la placa del convertidor serie a USB. Esto es menos que ideal: la Raspberry Pi no es con especialización para escurr de cualquier USB voltaje de entrada y puede comer hasta más poder del que se especifica un puerto USB para entregar. Además, tiene un medio de cable USB se puede conseguir desconectado, dando por resultado la corrupción de sistema de archivos. Decidí construir yo mismo una fuente de energía 5V batería agradable. Porque no tengo cualquier compartimientos de baterías en el caso gabinete de arcade, no podía apenas lanzo pilas reemplazables contra el problema... cualquier pilas elegí tuvieran que permanecer dentro de la caja mientras se utiliza y mientras está cargando. Eso significaba que también tuve que idear una manera de poder reponer el poder tan pronto como la máquina de arcade estaba fuera de jugo. Todavía tenía dos baterías de Nokia BL-5J ahí. No era exactamente nuevas ya, pero todavía podría mantener suficiente carga para permitir que la frambuesa Pi a una feria mientras. Estas baterías también tienen algún tipo de protección en ellos: no debería poder volar con la aplicación de una tensión demasiado alta o correr demasiado actual a través de ellos. Que era algo podía usar, porque planeaba hacer el cargador / fuente de alimentación 5V yo mismo, con componentes estándar. Significaría que un error por mi parte tiene un riesgo mucho menor de la voladura de las baterías y causar accidente. Si vas a construir esto, al menos Asegúrese de que sus baterías están protegidas también. También, revise su trabajo. Y mis esquemas y código. Ya sabes, si estas advertencias realmente decir algo nuevo, no construir en absoluto. Yo no soy responsable por cualquier equivocaciones resultantes de nada en esta página por cierto. También, si vas a conectar lobos en paralelo, asegúrese de que están cargadas a la misma tensión primero. Con dicho: aquí es el esquema: algunas notas acerca de las partes: los iones de litio es las dos baterías Nokia (aún con sus circuitos de protección de intacto!) en paralelo. Los diodos son aleatorios 2A Schottkys todavía tenía. Los mosfets vienen como dos IRF9952s, que son un canal N y un mosfet de canal P en un solo paquete. Por desgracia, no tengo ni idea Cuáles son las especificaciones de la bobina: solo cogí uno que parecía lo suficientemente poderoso de mi papelera de piezas y parece hacer el truco. Así que, cómo funciona? No es directamente claro desde el esquema, porque algunos componentes y las líneas se utilizan en múltiples ocasiones. Básicamente, el circuito tiene tres modos de operaciones: inactivo (off), generación de 5V (en) y de carga. El estado inactivo es la más fácil de explicar: el AVR recibirá 3.7V de las baterías mediante el inductor, el diodo y el resistor de 10 ohmios. Tiene su IO a niveles donde ninguno de los mosfets están llevando a cabo y tratará de comer como poca energía como sea posible. Cada segundo, despertarán para ver si alquien ha oporimido el botón de encendido o un cargador está conectado. Si se presiona el botón de encendido, el AVR despertar y empezar a generar y regulación de 5V mediante un convertidor. Se va a generar una onda cuadrada en PB4, básicamente permitir que corrientes de flujo como este: PB4 cuando es alta, la corriente se ejecutará a lo largo de la línea roja: desde la batería a través del inductor (que generará un campo magnético) vía el mosfet a masa. Tan pronto como PB4 se hace bajo otra vez, la corriente se ejecutará a lo largo de la línea verde: porque el campo magnético se derrumba, la bobina fuerza una corriente de la batería a través de sí mismo y el Diodo zener en el capacitor de 2200uF, carga a una tensión por encima del voltaje de la batería. Variando el ciclo de trabajo, el AVR puede ajustar cómo rápidamente las cargas del condensador. El AVR sí mismo es alimentado usando este condensador: aparte de 10 ohm resistor y 100nF condensador (que forman un low-pass filtro, para filtrar picos) el AVR está conectado casi directamente con sus pines Vcc a la tensión del condensador. El ATTiny85 tiene una manera de medir su propia tensión de alimentación y utiliza esto para asegurarse de que la tensión se mantiene en 5 voltios. Tan pronto como el condensador se llena bastante, el AVR también bajará PB0, haciendo el mosfet conectado transmiten 5V a Raspberry Pi, que felizmente va a arrancar. Si, por otra parte, se detecta 5V en el puerto USB, el dispositivo entrará en modo de carga. En este modo, te carga la batería de LiIon por alimentarla 500mA de corriente o 4.2V de voltaje, es el más alto. El AVR puede detectar la presencia de un cargador ya que el resistor de 10K llevará los 5V a través de la línea punteada a PB1. Este pin también es una entrada del comparador interno AVRs. Al otro lado del comparador se conecta a Vcc. Tan pronto como el comparador detecta una tensión mayor en PB1, sabe un cargador está conectado y se enciende con una onda cuadrada en PB1. En esta configuración, el dispositivo funciona como un convertidor buck, con el poder de la batería que viene desde los 5V de entrada (línea roja) o de la caída del campo magnético en el inductor (línea verde). El AVR puede regular el voltaje generado modificando el ciclo de trabajo de la onda cuadrada en PB1. Para controlar la tensión generada de manera correcta, el AVR tendrá que medir el voltaje de la batería y la corriente a través de la batería. La corriente se mide por el acaparamiento de la tensión sobre el resistor de desviación 0,25 ohmios. El voltaje puede ser medida por AD'ing el valor en PB0. Medir el voltaje de la batería necesita un truco (como medir 5V línea hace al generar la energía para la frambuesa Pi): el voltaje de referencia del AVR es 1.1V o 2.56V, que son insuficientes para medir el 4.2V tensión de la batería. PB0, sin embargo, puede utilizarse como una tensión de referencia, al igual que Vcc puede. Si esa referencia se utiliza para medir la 1.1V internas de referencia (que pueden ser cambiada para ser una entrada), es posible medir tensiones > 2.56V sin necesidad de separadores de resistencia externa. Dos piezas de la esquema no han sido explicadas todavía. La primera es la parte alrededor de los diodos de zener 3V6: se trata de un circuito de palanca-como protección. Cuando una tensión de 9V se detecta en la línea de 5V (por ejemplo debido a un error en el código), que el mosfet se tire hacia abajo de la línea de reset del RAV, esperemos cerrar cualquier proceso que la tensión drogarse. 9V puede parecer un poco alto para una tensión de protección, pero sólo un punto tiene llegar alto; probablemente el voltaje promedio es menor cuando eso sucede. La otra parte es la broca alrededor del botón y LED: este es un indicador de carga combinada, interruptor de encendido y apagado suave. Cuando la carga, el AVR empezará a parpadear el LED, indicando hasta qué punto el proceso de carga. Cuando encendido, el Raspberry Pi puede detectar si el botón está presionado por un corto tiempo; el AVR a ignorarlo. Cuando se presiona el botón por más de 4 segundos, sin embargo, el AVR inmediatamente cerrará potencia a la frambuesa Pi. Para que funcione, debe conectarse la línea de 'RPi poweroff' Raspberri Pi GPIO30, y se debe ejecutar el programa de 'poder' (incluido en la descarga). Esto permite un completo poder blando arranque y apagado: Pulse el botón una vez para encender el Raspberry Pi. Ir a jugar un juego. Cuando termine, presione el botón una vez más. El Raspberry Pi se detectará y se apaga. Al final de este proceso, hará que la línea a PB2 bajo, simulando una pulsación larga del botón; Esto reducirá la potencia a la Pi otra vez. Si algo sale mal, puede manualmente mantenga pulsado el botón durante 4 segundos y realizar un powerdown duro de esa manera. Esta lógica todavía cabe en un pequeño PCB alrededor tan grande como las baterías se encarga de: el software para el AVR y el pequeño demonio que relojes para pulsar un botón y puede apagar el poder puede ser descargado aquí