Paso 4: Diseño de la Junta


He usado Express PCB para el diseño de la Junta y el archivo que he subido aquí es gratuito para editar como quieras. Editar como desee para adaptarse a los componentes que tiene. Versión PDF de la Junta se ha subido demasiado si aún no desea editar o generar los archivos PDF usted mismo.
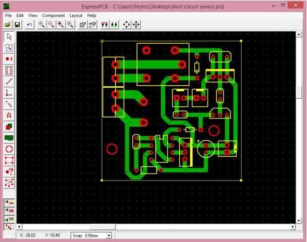
Este circuito no es realmente tan grande así que he introducirlo en un tablero de 5 x 5 cm.
Nota: El tablero tiene un led opcional (ver imagen de PCB para más detalles, he dejado una nota allí) así que usted puede saber cuando el circuito de protección ha desarmado la salida de la fuente de alimentación. Si no quiere usar un led, debe cortocircuito los pins que el led se conectaría o bien el circuito no funcionará. Si desea conectar el led, el pasador cuadrado es el ánodo y el pin redondo es el cátodo. Puede conectar a cualquier LED pero altos brillos los.
Lo he probado en un tablero de pan y usted debe probar también así que usted puede saber con seguridad si el circuito de protección trabajará con nuestra alimentación.