










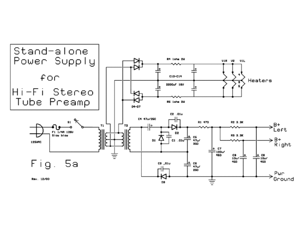
A continuación se muestran las vistas de la web donde conseguí el esquema. Fred hizo un buen trabajo de describir este así que por favor use su vista web y ver el artículo en un tubo pre amp de estudio. Él tenía otras articals agradable también.
Este esquema fue presentado por Fred Nachbaur.
© 1998 - 2004 por Fred Nachbaur. Todos los derechos reservados. Esta información se puede utilizar libremente para uso personal y no comercial solamente.
http://www.Dogstar.dantimax.dk/tubestuf/index.htm
http://www.Dogstar.dantimax.dk/tubestuf/instpre.htm