Paso 3: Hacer el circuito





Este fue mi primer intento en el uso de registros de cambio, así que puse a investigar en el sitio de Arduino y encontré un ejemplo muy útil, que he modificado a suite mis necesidades. Puede encontrar el tutorial en Arduino ShiftOut se establecieron en el "código de muestra 2.3 – Dual definido matrices" como mi código de la base, más que más adelante.
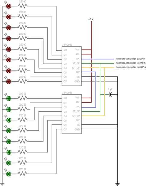
Si sigues el tutorial usted aprenderá cómo enviar bits de información, uno por uno, en serie de tu Arduino a los registros de cambio. Este arreglo le permite controlar todos los 24 LEDs en este proyecto con sólo 3 pines de Arduino. Estaremos usando el serial, paralelamente a la capacidad de los 74HC595 para 24 bits de información o 3 Bytes de carga en los registros de cambio y luego cambiando los datos en paralelo con los LEDs.
Desde el primer bit de datos que cargamos se enrolla para arriba en el último registro punto, nosotros LED1 adjunto o el LED más meridional a QO el primer registro de cambio. Seguir el esquema del ejemplo ShiftOut y conectado el tercer registro de desplazamiento a la segunda, de la misma manera como la segunda se une a la primera.
Te recomiendo ejecutar el código de ejemplo en el camino, primero con un registro y luego con dos. El código de ejemplo secuencias de las luces que es fácil de ver si algo es miss atada con alambre. Pude añadir simplemente un Byte3 a la matriz "Código muestra 2.3 – Dual definido matrices" y una tercera que llamado azul. Puede ver esto en el código de ShiftOutArrayByte3R1 a este paso.