

(Abejón de host de planta)
Con esto nunca tendrá que preocuparse de que su planta está parado en las sombras, siempre la mejor luz para tu planta favorita!
Cuando pones el Robot en la luz solar directa no funcionará y sólo sentarse allí y disfrutar del sol, pero cuando pasa el día y el sol se mueve seguirá la luz del sol cada vez que la sombra trata de tomar la mano superior.
Al iniciar le para arriba en la sombra que se scout para la luz y por lo tanto la colisión cambia algo útil, por lo que no quedas atascado en algún lugar.
-Las piezas necesarias para hacer este maravilloso pequeño robot son:
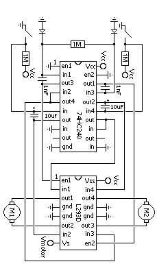
1 x 74HC240
1 x L293D
resistencias de 3 x 1M
condensadores de 2 x 1nF
condensadores de 10uF x 2
2 x transistor de la foto 300 de SFH
2 x interruptores de colisión
1 x recipiente para alojar la planta (Asegúrese de no tener fugas agua en la electrónica)
y por último pero no menos importante un juguete reciclado con 2 motores eléctricos que funciona en unos 6 voltios o idénticos motores y ruedas o una plataforma de robot motor 2. Creo que usted puede hacer esto, pero por menos de 10$
-Le di mi robot una carne agradable comer plantas y diseñado el cuerpo un poco como un trilobite
Y la plataforma de Rp5 para este robot. He publicado una imagen de mi robot y los esquemas
¡ Disfrute!
http://www.youtube.com/watch?v=EqR59dI89Dc