PICAXE - sensor de temperatura DS18B20 de LCD (2 / 7 paso)

Paso 2: El circuito

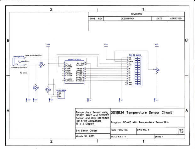
El circuito es bastante simple. Salí de J1 jack programación conectado al circuito pero accesible dentro de la caja sólo como una vez que este programado probablemente no necesita hacer muchos cambios. Aunque no se muestra en el dibujo, el sensor de temperatura es montado en un enchufe estéreo de 2,5 mm y este se conecta a un conector en el lateral de la caja. También se podría montar en el circuito y después de un rato llegará a aproximadamente a temperatura ambiente. El diagrama del circuito se creó usando Dip Trace. Este es un muy fácil utilizar programa y gratis para uso amateur. Buscar en www.diptrace.com

Artículos Relacionados

Sensor de temperatura DS18B20 con LCD

Sensor de temperatura DS18B20 con LCD

El DS18B20 viene en una forma de la sonda de temperatura, que es resistente al agua. Tuve un tiempo real duro tratando de conseguir este uno trabajo y he pensado que compartir cómo al final lo conseguí trabajando. ¡ Disfrute!Paso 1: partesLas piezas
Sensor de temperatura DS18B20 ESP8266 IDE de Arduino, nube EasyIoT

Sensor de temperatura DS18B20 ESP8266 IDE de Arduino, nube EasyIoT

En este tutorial mostramos cómo crear el logger de temperatura DS18B20 de ESP8266 WiFi conectado a la nube de EasyIoT. Todo el material cuesta menos de 5$ en ebay.Nube de EasyIoT trabaja también en el teléfono móvil o tablet. También está disponible
Cómo utilizar el Sensor de temperatura DS18B20 - Arduino Tutorial

Cómo utilizar el Sensor de temperatura DS18B20 - Arduino Tutorial

En este tutorial usted aprenderá cómo usar el sensor de temperatura DS18B20 con Arduino.La temperatura se imprimirá en el serial monitor de Codebender o el IDE de Arduino.Video de presentación:Antes de empezar vamos a ver más información de este sens
Sensor de temperatura DS18b20 como termostato

Sensor de temperatura DS18b20 como termostato

Este Instructable muestra cómo construí el termostato de mi casa-asistente usando un ESP8266 y MQTT con un sensor de temperatura DS18b20.Parte 1 de este build es construir a un sensor de temperatura usando un DS18b20 - el video muestra cómo construí
Arduino Powered Sensor de temperatura con pantalla LCD salida primera vez autor entrada

Arduino Powered Sensor de temperatura con pantalla LCD salida primera vez autor entrada

Nunca había sido un chico un poco de concurso pero siguió adelante y entró en el primer concurso de autor de tiempo, si te gusta mi intructable o simplemente aprender algo nuevo y creo que he ganado tu voto por favor! =]Hola a todos! Por favor pelado
Termómetro digital en pantalla OLED con sensor de temperatura NodeMCU ESP8266 ESP-12E y DS18B20

Termómetro digital en pantalla OLED con sensor de temperatura NodeMCU ESP8266 ESP-12E y DS18B20

En mi anterior instructable le di una introducción a la ESP8266 y la programación con nuestro IDE de Arduino familiar.En este instructable voy a ir un paso más allá, conexión de un sensor digital de temperatura DS18B20 y mostrar la temperatura en gra
Sensor de temperatura WiFi DS18B20 ESP8266 (ESP8266 Arduino IDE sin Arduino)

Sensor de temperatura WiFi DS18B20 ESP8266 (ESP8266 Arduino IDE sin Arduino)

En este tutorial mostramos cómo construir sensor de temperatura ESP8266 WiFi con DB18B20. Vamos a utilizar el IDE de Arduino, Arduino, sin. Datos se enviará al servidor EasyIoT (Windows o frambuesa Pi) para el registro y agradable.Ver más tutoriales
Sensor de temperatura inalámbrico

Sensor de temperatura inalámbrico

que consta de 2 circuitosUno lee la temperatura usando un DS18B20 y transmitts sobre las ondas de radio.El otro recibe los datos y la muestra.No he probado la gama todavía, pero he tenido trabajando más de 12 pies, atravesando 2 paredes.Lista de piez
OLED + Sensor de temperatura en Espruino (JavaScript MCU)

OLED + Sensor de temperatura en Espruino (JavaScript MCU)

Dos breves ejemplos de lectura de temperatura Sensor DS18B20 o DHT22 y mostrar en pantalla OLED (4-wire SPI) o (I2C de 2 hilos).Todo está conectado directamente con los cables de protoboard a la Junta de Espruino Pico .No requiere alimentación extern
Controlador de matriz de LED Arduino 8 x 8 RGB con Shift 4 registros y Sensor de temperatura

Controlador de matriz de LED Arduino 8 x 8 RGB con Shift 4 registros y Sensor de temperatura

La primera mitad de este video instructivo muestra que un proyecto terminado de un Arduino con 4 registros de desplazamiento (74HC595) utilizado para controlar y 8 x 8 matriz de LED RGB. También hay un sensor de temperatura DS18B20 utilizado para mos
Envío de datos del Sensor de temperatura a base de datos de azul

Envío de datos del Sensor de temperatura a base de datos de azul

Este proyecto utiliza un Raspberry Pi B + a 2 sensores de temperatura y envía los datos a un origen de datos azul que puede utilizarse para crear gráficos.Un montón de código para acceder a los sensores de temperatura vino de Adafruit tutorial de Ada
Regulador de agua caliente solar con arduino mega y ds18b20 sensor de temperatura

Regulador de agua caliente solar con arduino mega y ds18b20 sensor de temperatura

Este es proyecto para el sistema de control solar.Paso 1: Lo que necesita Partes:1xArdunio1xLCD 16 x 23x4.7 kOhm resistenciatransistor de 2xN-P-Nrelé de 2x5vsensor de temperatura 3xDS18b201xBreadboardresistencia de 2 x 220 OhmPaso 2: Conexión de sens
Edison de Intel con LCD de Grove, sensor de temperatura y sensor de infrarrojos

Edison de Intel con LCD de Grove, sensor de temperatura y sensor de infrarrojos

Grove LCD.Temperature sensor de sensor de infrarrojo 與分別是以I2C.ADC.GPIO作為傳輸介面使用上也相當的簡單MRAA biblioteca中有完整的使用方式Grove的官方資料與範例也相當齊全所以實作上並不會太困難Paso 1: Grove LCD 此部分需要 importación pupm_i2clcd建議以下寫法(使用Python)pyupm_i2clcd importación como lcdmyLcd = lcd. Jhd
Portátil Arduino Uno temperatura y Sensor de humedad con pantalla LCD

Portátil Arduino Uno temperatura y Sensor de humedad con pantalla LCD

Hey todo el mundo. He conseguido un montón de grandes ideas de instructables sobre los años. Como este es mi primer ' ible, figura de compartir algo que yo hago así. Estoy entrando a esto en el completo espectro láser concurso 2016. Si tuviera que ga