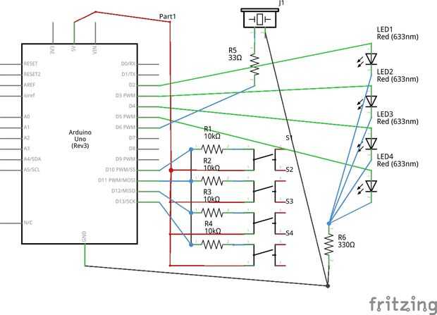
Paso 2: La forma de Arduino (esquema y diseño)


Luego subo el código en la parte inferior de la página a la Junta. Probarlo y si funciona y estás contento con él, entonces, enhorabuena! Supongo que estás hecho!
Sólo tiene que pulsar el botón de reset en el Arduino después de cada pregunta.