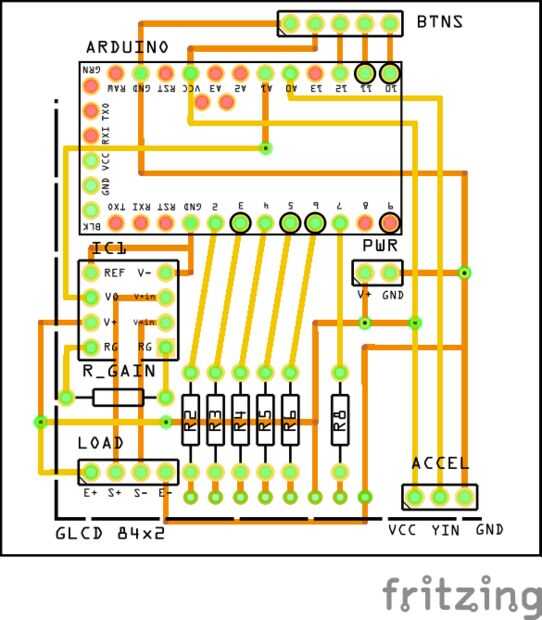
Paso 3: Hacer el PCB




El PCB fue diseñado para tener un espacio mínimo para poder montar en un protoboard de 45 x 45 mm. Aunque el proceso de diseño fue bastante indoloro, la actual Asamblea resultó para ser un poco complicado ya que teníamos que trabajar con los componentes por-agujero en un espacio relativamente reducido. Algunos inteligente para soldar con alambres de puente fue requerido para un número de conexiones! La célula de carga, acelerómetro, batería y botón PCB fueron conectados con las conexiones de perno encabezado. Encabezados también fueron utilizados para el Arduino Pro Mini y LCD la pantalla para facilitar el montaje y así podremos usar los componentes para otros proyectos por el camino.