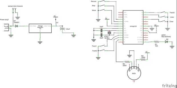
Paso 3: Hacer la electrónica



Aquí es un esquema de mi pedal eléctrico. Si quieres construir tu mismo sugiero
Mira http://www.makeuseof.com/tag/dont-spend-money-on-...
que muestra cómo configurar un Arduino en un tablero de pan. Si hay suficiente interés voy a hacer un
carga de éstos hasta en un PCB con conectores Jack de ¼"(o terminales) hasta la
pedales se pueden conectar sin ninguna soldadura y péguelos en ebay.
Usted podría hacer esto de muchas maneras y si desea utilizar un Arduino pero no quieren hacer la soldadura le podría conseguir un Arduino Nano, micro Arduino, Arduino Uno, teensy o cualquier otro dispositivo compatible de IDE de Arduino. Descargar el pde y subirlo a su tablero y virutas (un montón de guías en esta función lo que usas) y conectar cada pedal y el LED, la toma MIDI, un conector VGA, una toma de corriente.