Paso 4: Usando GPIO0, GPIO2 y GPIO15 como entradas.

Es un poco complicado usar estos pines como entradas. Como se señaló anteriormente en el poder y durante el reset, estos pines deben tirar hacia arriba o hacia abajo según sea necesario para tener el módulo de ESP8266 arrancar en modo normal de funcionamiento. Esto significa que, en general, simplemente no se puede conectar un interruptor externo para estos pasadores porque en el poder hasta generalmente no puede garantizar el interruptor no estará tirando la entrada para tierra y evitar así que el módulo de arranque correctamente.
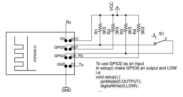
El truco es no conectar el interruptor externo directamente en el GPIO0 o GPIO2 a GND pero al conectarlo en su lugar a otro pin GPIO que es conducida a tierra (como salida) solamente después de la ESP8266 pone en marcha. Recuerde, cuando se utiliza como salidas, los pines GPIO proporcionan una conexión de baja resistencia a VCC o GND dependiendo de si son por alta o baja.
Aquí se considerará solamente GPIO0 y GPIO2. Con este método puedes 1 de uno además estos dos 2 GPIO de entrada.
Un método similar se puede utilizar para GPIO15 utilizando otro pin GPIO para conectar su interruptor a + VCC, pero esto no ganar un extra de entrada, podría así sólo utilizas el otro pin GPIO directamente como una entrada.
El circuito de arriba usa el módulo de ESP8266-01 como ejemplo. Sin utilizar este truco, el ESP8266-01 no tiene las patas gratis para usar como una entrada si ya están utilizando pernos de RX/TX para la conexión UART.
Puesto que el método setup() de sketch se ejecuta sólo después de que arranque el módulo ESP8266, es seguro hacer GPIO0 salida baja luego y así proporcionar un suelo para S1 conectado a GPIO2. Se puede utilizar digitalRead(2) en otros lugares en su sketch para leer la configuración del interruptor.
Conclusión
Esta breve nota muestra cómo a GPIO0 usado, GPIO2 y GPIO15 como salidas y cómo usar un extra de entrada usando GPIO0 y GPIO2 juntos.