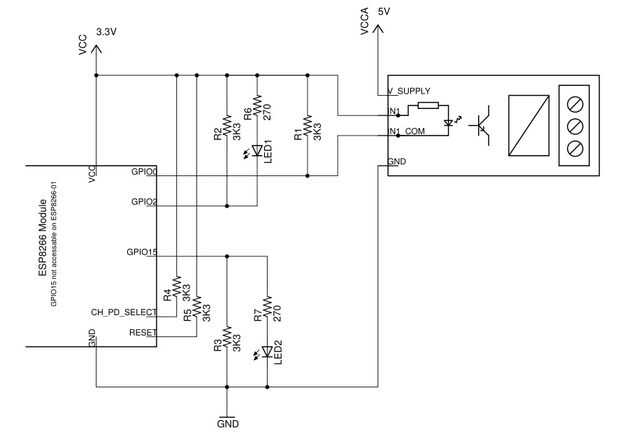
Paso 3: Con GPIO0, GPIO2 y GPIO15 como salidas

Como se señaló anteriormente, estos pines tendrá un resistor conectado a cualquiera de los dos VCC (GPIO0 y GPIO2) o GND para GPIO15. Determina cómo debe conectarse cualquier dispositivo externo, como un relé o led + resistencia. Para GPIO0 y GPIO2, un relé externo debe conectarse entre VCC y el pin para que no interfiera con la acción del tirón hasta resistencia. Por el contrario un relé externo conectado al GPIO15 debe conectarse entre GND y el pin por lo que no interfiere con la acción de lo pull-down resistor.
Para activar el dispositivo externo, se debe conducir GPIO0 o GPIO2 LOW (activo bajo) mientras que el GPIO15 debe ser conducido alta (activo alto).
El esquema de arriba muestra cómo utilizar GPIO0 y GPIO2 y GPIO15 como salidas. Este circuito incluye las necesarias resistencias de pullup/desplegable así. Nota el módulo de relé de 5V por GPIO0 es opto-aislado y tiene una conexión común independiente de la entrada. Es importante que el voltaje de 5V VCCA no se aplica al pin ESP8266.