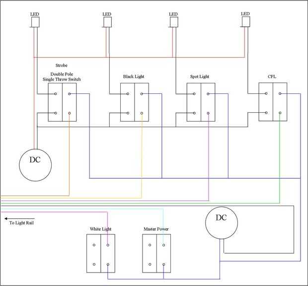
Paso 4: El Panel de Control - componentes de cableado


En primer lugar, conecte los circuitos led a un lado del interruptor.
Ahora, para la diversión parte:
Usted necesitará por lo menos siete alambres (relés diferentes controles 6 y el 7 es el cable común) para una longitud de 20 pies por lo menos. Recomiendo usar un cable de red de ocho hilos, así que no tienes que lidiar con cables enredados y todas las cosas que van con 6 filamentos individuales. No tengo un cable de red por lo que acababa de usar dos cables de strand 22 AWG trenzado a cuatro hilos (un cable adicional). Ahora, tomar un extremo de su cable y tira alrededor de la mitad una pulgada cada alambre. Soldar cada cable a un borne de cada interruptor y dejar un cable extra (dos para mí). Utilizar más cable AWG 22, cortada el mismo número de hilos como el número de cambios de seis pulgadas. Tome un extremo de cada cable y girar juntos. Esto debe dejar seis (o el número de interruptores) extremos abiertos en forma de una rama. Tome los extremos separados de la rama de alambre y soldadura en cada terminal separado de los interruptores. Ahora debe tener 2 cables abiertos de los relés y 2 hilos abiertos para LEDs. (ver imagen 2)