Parte 2 de cómo construir el destornillador Sonic 4 de médicos (3 / 5 paso)

Paso 3: Unir las piezas

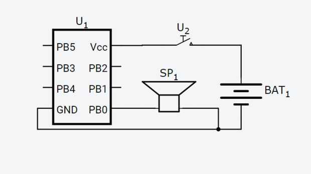
La soldadura de la placa altavoz y batería para el Attiny, luego deslice el en el caso de impresión 3d.

Soldar un alambre corto en el resorte de la batería e insértela en el caso frente a la placa de la batería.

Artículos Relacionados

Cómo construir un destornillador Sonic

Cómo construir un destornillador Sonic

este instructable muestra cómo construir un destornillador sonic personalizado.Porque creo que un sonic es algo que el constructor debe diseñar, no se como medidas exactas.Paso 1: Las tripas THE CIRCUITEste es el circuito que utilicé para ambos el so
Cómo construir un destornillador Sonic Attiny85

Cómo construir un destornillador Sonic Attiny85

Para esto sonic necesita:Tubería metálica (Cuatro tamaños, cada uno capaces de bien, pero suavemente, deslice a lo largo de los otros tamaños)-1 pulgada del 1/2 pulg. OD(para esto he utilizado cobre, pero cualquier metal funcionará)-1 1/2 pulgadas de
Doctor Who destornillador Sonic WiFi Jammer

Doctor Who destornillador Sonic WiFi Jammer

Así que siendo un gran fan de Doctor Who tenía una idea de construir un destornillador sonic que era también un jammer de wifi. Así que en este video hice uno con ninguna real planificación sólo usando 3 antorchas baratos fuera de ebay y componiendo
Cómo construir el destornillador sónico del Doctor 4

Cómo construir el destornillador sónico del Doctor 4

este instructable muestra cómo construir el destornillador sónico del doctor 4. Se trata de la primera parte, que es la parte principal. Segunda parte incluirá la electrónica.Paso 1: materiales Tubo de aluminio-aproximadamente.55 en ID 5/8. OD-5/8 en
Varita de destornillador Sonic: Doctor Who meets Harry Potter

Varita de destornillador Sonic: Doctor Who meets Harry Potter

Backgrund:Hace aproximadamente un año un amigo mío vio un bonito tubo destornillador Sonic hecho por Maranda Li aka Praeclarus varitas.Debido a los ser agotado que me preguntó si sería posible que me hagan una, que voy intentar hacerlo. Haber hablado
BRICOLAJE destornillador Sonic funcional

BRICOLAJE destornillador Sonic funcional

Último hijo de mi más antigua Halloween que Colin vestido como el Doctor de Doctor Who e improvisó un destornillador Sonic le de trozos de chatarra que robaban para arriba en el garaje. Al ver el destornillador Sonic mi hijo Sam decidido él absolutam
LEGO Décimo Doctor, destornillador Sonic & TARDIS

LEGO Décimo Doctor, destornillador Sonic & TARDIS

yo buscaba en Instructables el otro día, y no pude encontrar un modelo muy bueno, fácil de preparar de la TARDIS. Así que, naturalmente, he decidido hacer mi auto, un décimo Doctor minifigura y destornillador Sonic. No es perfecto, pero parece bastan
Trabajo destornillador Sonic - versión 3.0

Trabajo destornillador Sonic - versión 3.0

)Esta es mi tercera entrega de un destornillador sonic con trabajo de sonido y un circuito de TVbgone.Ahora que es más, tengamos algo de diversión.Algunas características:Un sonido verdadero de la serieUn circuito de clon de tvbgone. Convierte casi c
Destornillador Sonic Mark V

Destornillador Sonic Mark V

Recientemente estaba encargado de crear un destornillador sonic fusión un dragón con el doctor 11 's sonic.Algunas de las cosas locas que hice con él:Contiene el mismo sonido y luces y circuito tvbgone como mis modelos anteriores(El mármol en el fren
Cómo hacer médico que destornillador Sonic

Cómo hacer médico que destornillador Sonic

me encanta ver DOCTOR WHO y noto que siempre tiene esta pequeña herramienta que utiliza para abrir puertas y recoger cerraduras y todo tipo de cosas. Busqué un par de cosas en google sobre él y descubrió que se llama un destornillador SONIC. Así que
LEGO Custom destornillador Sonic

LEGO Custom destornillador Sonic

Hola a todos! Acaba de hacer una cuenta aquí, y quería mostrarte cómo hacer un destornillador Sonic personalizables, barato y que se extiende de LEGO! (De la BBC televisión Doctor Who) Permite comenzar! (Este es mi primer instructivo, por lo que el C
Doctor Who destornillador Sonic con Arduino de metal

Doctor Who destornillador Sonic con Arduino de metal

Cómo hacer un destornillador sonic personalizado de aluminio con Arduino dentro de la máquina /.Este Instructable documenta la creación de dos destornilladores Sonic personalizados para dos personas muy especiales en mi vida. Son enormes hacerctor qu
"Doctor Who" Destornillador Sonic (Doctor de 9/10)

"Doctor Who" Destornillador Sonic (Doctor de 9/10)

cuando un amigo me dio la idea de ir como el décimo Doctor para Halloween, estaba vendido totalmente, a pesar de que tenía sólo cuatro días hasta la gran fiesta para tirar juntos. El traje sí mismo probablemente no garantiza un Instructable fue sobre
Destornillador Sonic Mark VI

Destornillador Sonic Mark VI

Hace un tiempo atrás a que yo fui el encargado de hacer otro destornillador sonic personalizado en metal con mis adiciones generalmente electrónica.Una divertida Nota sobre este sonic es que el extremo delantero ciclos de colores. Estoy incluyendo el