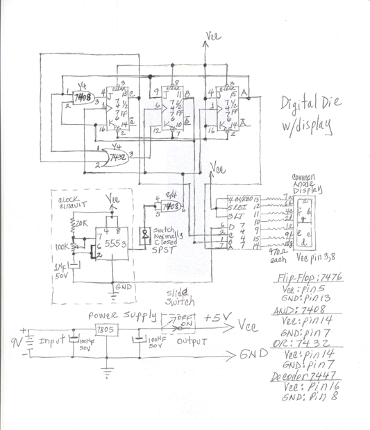
Pantalla w de Die

Die Digital w/display es un verdadero proyecto de ingeniería basado en flip-flop JK con el diseño de un contador desde 1-6 con un reloj de circuito de frecuencia variable y un interruptor normalmente cerrado que se detiene la cuenta cuando alguien pushs su botón.
Etiquetas: Electrónica, Digital

Artículos Relacionados

T camisa pantalla impresión Ideas que inspiran

T camisa pantalla impresión Ideas que inspiran

para un país que es también un continente ambas al mismo tiempo, bautizado como un lugar perfecto para todas las estaciones, ideas para diseños de camisa t abundan. Usted puede ir a ver Ayers Rock o la gran barrera de coral y su jugo creativo de dise
Pantalla de la cinta

Pantalla de la cinta

Mi mamá me dio un hilo cinta el otro día y he estado intentando pensar en algo para hacer con él. He tenido esta pantalla de Ikea por un tiempo que no sabía qué hacer, así que decidí ver lo que pude llegar a. Después de tomarlo aparte y consultoría j
Número de la suerte / tabla de la boda número pantalla

Número de la suerte / tabla de la boda número pantalla

Mostrar su número de la suerte en un marco bonito, o utilizar este proyecto para hacer números de mesa para tu próxima boda o cualquier otra ocasión especial!Paso 1: materialesEsta hermosa "número" requiere los siguientes materiales...marco de f
DJI Monitor pantalla

DJI Monitor pantalla

Me encanta mi DJI Phantom 4 pero intentando volar en el sol puede ser un problema. Incluso con el brillo de la pantalla dada vuelto hacia arriba, la imagen puede lavar en un día soleado, lo que hace difícil ver donde está volando. DJI ofrece una pant
Pantalla de la película Backyard

Pantalla de la película Backyard

Para una noche de verano, no trate de encontrar una unidad en película... Haga sus los propios!Paso 1: Cortar las piezasTengo un par de cortadores de PVC, pero aparentemente fueron diseñados para la pipa más pequeña. Con el tubo de 1 1/2 pulgada, enc
Arduino Nano LED pantalla

Arduino Nano LED pantalla

Este es mi primer instructable sobre cómo pantalla de interfaz limpio un LED de 7 segmentos de 4 dígitos de 0,56" a un Arduino Nano. displays de 7 segmentos LED son ideales para la visualización de información en un Arduino debido a su bajo costo (~$
DIY pantalla orgánica celular sin una impresora 3D

DIY pantalla orgánica celular sin una impresora 3D

En este instructable te voy a mostrar como se puede hacer fácilmente una impresionante pantalla orgánica sin utilizar una impresora 3d. Este tipo de pantalla se hace generalmente con una impresora 3d pero sé que hay un montón de gente ahí fuera que,
Medidor de distancia ultrasónico con pantalla LCD en el Arduino UNO

Medidor de distancia ultrasónico con pantalla LCD en el Arduino UNO

En este tutorial vamos a ver un uso distinto del módulo de ultrasonidos HC-SR04. Este módulo es de uso frecuente en coches de juguetes y robots para localizar obstáculos pero puede ser utilizado para medir distancias así.Distancias medidas por la HC-
Cómo hacer una pantalla mala

Cómo hacer una pantalla mala

se trata de una lámpara elegante y fácil de hacer!Paso 1: materialesSpray adhesivo, tachuelas, tijeras, tijerasPaso 2: Poner a la tela en Virar la tela sobre la pantalla para lograr que permanezca enPaso 3: Recortar los bordes No cortar el borde ente
Pantalla música de la hoja

Pantalla música de la hoja

Yo quería una pantalla para complementar esta lámpara que hice de clarinete viejo de mi hija. La pantalla original fue cubierta con la cinta multicolor, y quería algo un poco más "musical". Tuve varios viejos libros de piano para principiantes d
Pantalla de juego azulejo reciclado

Pantalla de juego azulejo reciclado

Me encanta los juguetes y juegos antiguos de upcycle! Encontrar la mayor parte de mi prima en tiendas de caridad y ventas de arranque, y siempre hay un montón de conjuntos de fichas y fichas de Mah-Jong con piezas faltantes. Esta pantalla fue hecha c
Tunea tu teléfono viejo y hacer un Steampunk MP3 Player con pantalla táctil

Tunea tu teléfono viejo y hacer un Steampunk MP3 Player con pantalla táctil

Hola¿Qué puede hacer con tu viejo Smartphone? Vender, tirar, poner en el microondas?? * gg *No, hacemos un Steampunk MP3 Player con pantalla táctil ;)Paso 1: ComencemosTenemos un montón de cosas de bronce, electrónica y de fantasía.1 Smartphone Xperi
Windows 7 Starter: Manera fácil cambiar fondo de pantalla

Windows 7 Starter: Manera fácil cambiar fondo de pantalla

Bienvenidos! :-)****Para los lectores no quieren leer la historia de este instructable aquí es un corto: es este instructable sobre cambiar fondo de pantalla en Windows 7 Starter Edition, que es un problema ya que Microsoft eliminado esa opción en es
Pantalla cubo DIY 130 pulgadas con Ambilight Teensy 3.2 + WS2801

Pantalla cubo DIY 130 pulgadas con Ambilight Teensy 3.2 + WS2801

Muchas personas han hecho de "ambilight" con Arduino, Teensy, Raspberry Pi y así sucesivamente.Nunca he visto alguien que solicitó un pantalla grande como 130 pulgadas ambilight.Mudarse a casa de nuevo, hice pantalla de 130 pulgadas sin bordes (