







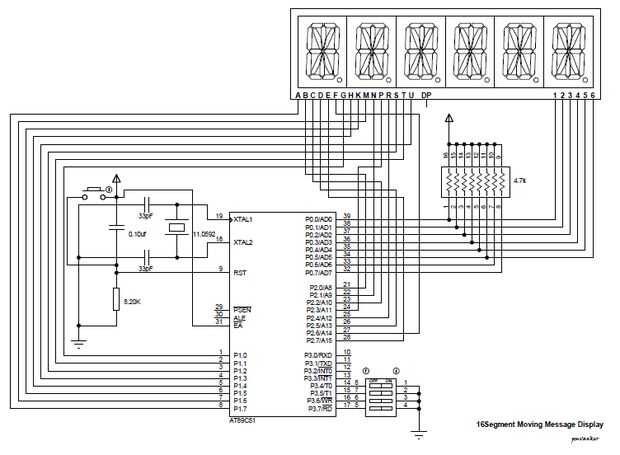
circuito se muestra en la Fig.
así usuario h 4 interruptor dip set msg y desplazamiento
Programo en keil
carga por cargador USB ISP
cualquier duda
WhatsApp me
9408492091
pmvanker
mi programa
org 0000h
MOV r5, #30
principal:
Seleccione allevan
TP2: allevan tipo1
r5 de Dec
djnz r5, tp2
MOV r5, #30
sjmp principal
rotatetype:
TP3: allevan tipo1
r5 de Dec
djnz r5, tp3
MOV r5, #30
rotate1 allevan
rotate2 allevan
p3.7 JB, principal
sjmp rotatetype
Seleccione:
p3.4 JB, s1
allevan Bienvenido
RET
S1:
p3.5 JB, s2
allevan praful
S2:
p3.6 JB, s3
utpal allevan
S3:
p3.7 JB, s4
allevan rotatetype
S4: ret
rotate1:MOV r0, #30 h
MOV r1, #31 h
MOV a,
MOV b, un
BK: mov a,
MOV
Inc r0
Inc r1
cjne r0, #37 h, bk
MOV a, b
MOV
RET
rotate2:MOV r0, #40 h
MOV r1, #41 h
MOV a,
MOV b, un
BK1:MOV a,
MOV
Inc r0
Inc r1
cjne r0, #47 h, bk1
MOV a, b
MOV
RET
tipo 1: mov r6, #08
MOV r0, #30 h
MOV r1, #40 h
MOV a, #01
TP1:MOV p0, una
MOV p1,
MOV p2,
allevan sd
RL un
Inc r0
Inc r1
djnz r6, tp1
RET
La bienvenida:
MOV 30h #11101100b
MOV 40h, #11001011b
MOV 31h, #01100110b
mov h 41, #00110110b
MOV de 32h, #11101110b
mov h 42, #00111111b
MOV 33h, #01101110b
mov h 43, #00111110b
mov h 34, #01101110b
mov h 44, #00011010b
mov h 35, #11001110b
mov h 45, #11011001b
MOV 36h, #01100110b
mov h 46, #00110110b
mov h 37, #0FFH
mov h 47, #0FFH
RET
Praful:
MOV 30h #01100110b
MOV 40h, #11110010b
MOV 31h, #01100110b
mov h 41, #11100010b
MOV de 32h, #01100110b
mov h 42, #11010010b
MOV 33h, #01100110b
mov h 43, #11110110b
mov h 34, #11101110b
mov h 44, #00011011b
mov h 35, #11101110b
mov h 45, #00111111b
MOV 36h, #0ffh
mov h 46, #0ffh
mov h 37, #0FFH
mov h 47, #0FFH
RET
Utpal:
MOV 30h #11101110b
MOV 40h, #00011011b
MOV 31h, #00111011b
mov h 41, #11111110b
MOV de 32h, #01100110b
mov h 42, #11110010b
MOV 33h, #01100110b
mov h 43, #11010010b
mov h 34, #11101110b
mov h 44, #00111111b
mov h 35, #0ffh
mov h 45, #0ffh
MOV 36h, #0ffh
mov h 46, #0ffh
mov h 37, #0FFH
mov h 47, #0FFH
RET
parada:
MOV 30h #01101100b
MOV 40h, #00000000b
MOV 31h, #00111011b
mov h 41, #11111110b
MOV de 32h, #01101110b
mov h 42, #00011010b
MOV 33h, #01100110b
mov h 43, #11110010b
mov h 34, #0ffh
mov h 44, #0ffh
mov h 35, #0ffh
mov h 45, #0ffh
MOV 36h, #0ffh
mov h 46, #0ffh
mov h 37, #0FFH
mov h 47, #0FFH
RET
SD:
r4 de MOV, #5
SD1:MOV r3, #0ffh
djnz r3 $
djnz r4, sd1
RET
final