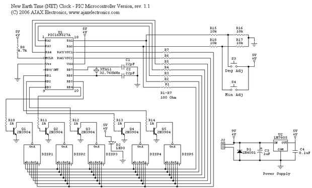
Paso 3: Esquema electrónico


Al igual que cualquier reloj digital, el microcontrolador utiliza multiplexación por división de tiempo para controlar cinco displays de 7 segmentos de sólo 12 pines de I/O. Usted puede ver este esquema en internet, pero la idea básica es que es sólo una pantalla en cualquier momento pero nuestro ojo percibe todas las pantallas para estar al mismo tiempo debido a la persistencia de la visión. Las pantallas son conducidas por transistores 2N3904, puesto que los puertos de E/S del PIC no pueden hundirse suficiente corriente para el 7 LED.
Además de la muestra, hay dos botones multiplexados en las salidas de pantalla para las funciones de ajuste de reloj. Un botón establece grados de red, la otra establece los minutos de red.
El cristal de 32,768 kHz es el dispositivo timekeeping principal para el reloj. Usted quiere asegurarse de que usted consigue un cristal de alta precisión, pero incluso entonces puede que necesite ajustar el valor de C1 y C2 que tiempo exactamente.
He incluido un circuito de regulador de 5V pequeño en la esquina inferior. Si ya tienes una fuente de 5V, esto no es necesario.