Paso 5: Datos de efectos de iluminación




Para el efecto de sincronización de voz, he creado un microprocesador PIC que muestras de una señal de audio y una salida alta cuando la amplitud de la señal de audio es superior a un umbral de digital. Esta señal entonces se utiliza para controlar las puertas de los FETs que a su vez activan varias cadenas de LEDs rojos y amarillos. Estos LEDs se colocan tales que brillan a través de los patrones superiores de dos agujeros en el cuerpo. Este efecto es esencialmente el mismo como un "órgano de la luz".
Para los cinco al azar verde luces destellantes, creé un microprocesador PIC que establece cinco salidas dentro y fuera como bucle continuamente mediante un conjunto de Estados en el programa. Cada una de las cinco salidas en el control del procesador un FET que controla una cadena de LEDs correspondientes a una de las cinco luces verdes en el modelo. El patrón de Estados generado fue elegido al azar, para dar el efecto que oscila como el visto en el episodio.
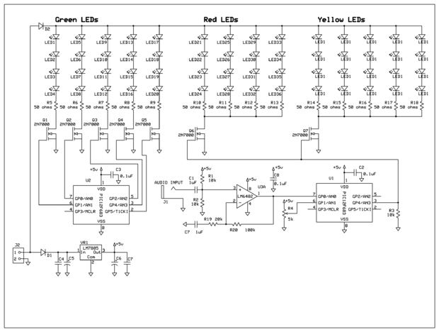
Descripción del circuito
La función de los circuitos de los dos efectos es la siguiente. Consulte el esquema.
J2 es la entrada de alimentación. Una batería de 12 voltios de 8 celdas AA poderes todos los efectos de iluminación.
La + fuente de 5V es producida por el regulador de voltaje VR1. D1 es un diodo en la entrada al regulador que evita que el circuito sufra daños si la entrada de alimentación está conectada con la polaridad incorrecta. Los condensadores C4 y C5 filtran la entrada de alimentación al regulador. Los condensadores C6 y C7 estabilizar la salida de VR1.
U2 es el procesador que se utiliza para producir la secuencia de luz verde. C3 es un capacitor de desacople en el pin VDD del U2. Q1-Q5 son FETs utilizados para impulsar las cinco cadenas de LEDs verdes. R5 - R9 son actual limitación de resistencia para cada una de las cadenas de LED.
J1 es una toma de 1/8 usada para entrada de audio. C1 se acopla capacitivamente el audio en la entrada analógica del amplificador operacional U3. R1 y R2 forman un divisor de tensión que predispone la entrada a la mitad de VDD, para que la señal audio de entrada oscila por encima y por debajo de ½ VDD en vez de por encima y por debajo del suelo. Esto es necesario porque el amplificador operacional se alimenta de la fuente "single ended" (a 0 voltios a 5 voltios). R20 y R19 establecen la ganancia del amplificador.
La ecuación para determinar la ganancia AC del circuito op amp es ganancia = (1 + R20/R19). Así, los valores indicados en el esquema para R20 y R19, la ganancia será de 6. C7 causa la ganancia en DC y baja freqencies para ser 1. Como resultado, la salida del amplificador es la porción de la AC de la entrada multiplicado por el aumento de la AC y el DC offset establecido por R1 y R2. Para los valores indicados, la salida será la señal amplificada del montar a caballo por encima y por debajo de 2,5 voltios. C8 es un condensador de desacoplamiento de los pines VDD del amplificador operacional.
U1 es el procesador que se utiliza para producir los efectos de sincronización de voz. El análogo a la entrada del convertidor digital del procesador tiene un rango de entrada de 0 voltios a VDD, por lo que es la salida del amp op puede conectarse directamente a él. C2 es un capacitor de desacople en el pin VDD del U2. Q6 y Q7 son FETs utilizados para impulsar los bancos de secuencias de LED rojos y amarillos utilizados para los efectos de sincronización de voz. R10-R18 son actual limitación de resistencia para cada una de las cadenas de LED. R4 es un potenciómetro que permite configurar el nivel de entrada audio en la que el procesador establece la salida alta. R3 es un pull-down resistor que mantiene el LED apagado mientras que la salida del microprocesador está flotando justo después de la energía.
Los dos circuitos de efectos de luz fueron construidos en una sola placa sin soldadura. Los LED ellos mismos fueron montados sobre un tablero de perf, con los LEDs dispuestos en grupos para alinear con los patrones de agujero en el modelo. La protoboard con los microprocesadores, FETs y el resto de la circuitería está montada en la parte posterior del tablero de LED. Vea las fotos abajo para ver el tablero y asambleas de placa de LED.
Montaje del tablero el tablero terminado y el LED se muestra en las siguientes imágenes. Este conjunto está conectado a uno de dentro las paredes de la caja del cuerpo principal.