



El producto final tendrá el siguiente aspecto:
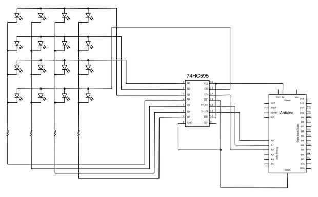
Usé el botón de botón de sparkfun pcb para construir mi 4 x 4 led matriz porque este es el primer paso en un proyecto ya estoy trabajando en que consiste en botones retroiluminados. Sin embargo, usted puede construir su propia matriz de led de 4 x 4 bastante fácilmente en un protoboard, y a proporcionar esquemas que le mostrará cómo hacerlo. Mi lista de piezas se expone a continuación:
Lista de partes:
SPARKFUN:
(1 x) botón teclado 4 x 4 - LED Compatible COM-07835 Sparkfun
(1 x) botón teclado 4 x 4 - arranque PCB Sparkfun COM-08033
(1 x) Arduino Uno Sparkfun DEV-11021
DIGIKEY (usted podría encontrar en Jameco):
LED 5mm blanco de (16 x) (3mm está muy bien también) Digikey C513A-WSN-CV0Y0151-ND
(1 x) registro de desplazamiento 74HC595 Digikey 296-1600-5-ND
zócalo de 16 pines del IC (1 x) Digikey A100206-ND
JAMECO:
cable de cinta (1 x) 16 conductor Jameco 28RC16-10VP
(1 x) 16 pines conector de ángulo recto Jameco 746285-3
(2 x) masculino cabecera pins Jameco 7000-1X40SG-R
Materiales adicionales:
Cable de calibre 22, varios colores Radioshack #278-1221
Protoboard con cobre Radioshack #276-147
Cortadores de alambre
peladores de alambre
de la soldadura